Diagram Sections: F15AEP (2000)
Download as PDF-
Bottom Cowling
-
Bracket 1
-
Bracket 2
-
Carburetor
-
Control
-
Crankshaft & Piston
-
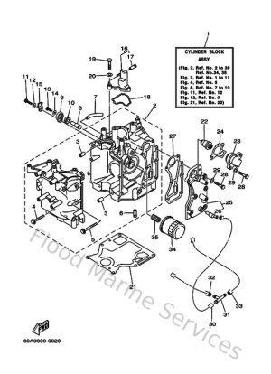
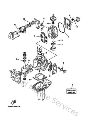
Cylinder & Crankcase
-
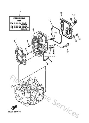
Cylinder & Crankcase 2
-
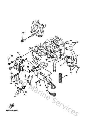
Electrical 1
-
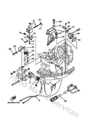
Electrical 2
-
Fuel
-
Fuel Tank
-
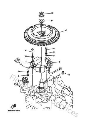
Generator
-
Intake
-
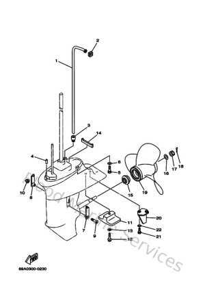
Lower Casing & Drive 1
-
Lower Casing & Drive 2
-
Oil Pan
-
Oil Pump
-
Power Trim & Tilt Assy 1
-
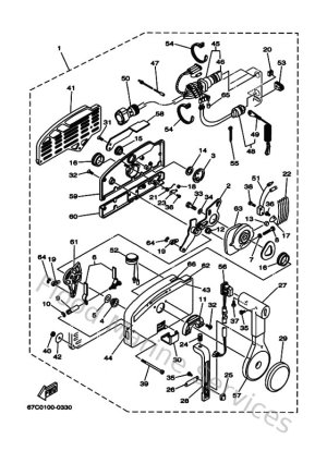
Remote Control Assy 1
-
Remote Control Box
-
Repair Kit 1
-
Repair Kit 2
-
Repair Kit 3
-
Starter
-
Starting Motor
-
Steering Guide
-
Top Cowling
-
Upper Casing
-
Valve