Diagram Sections: F20AM (1998)
Download as PDF-
Bottom Cowling
-
Bracket 1
-
Bracket 3
-
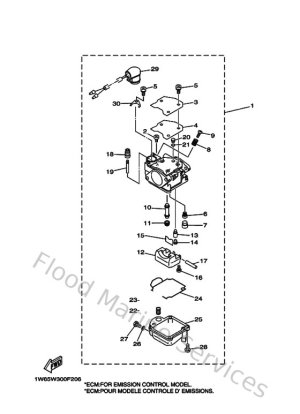
Carburetor
-
Control
-
Crankshaft & Piston
-
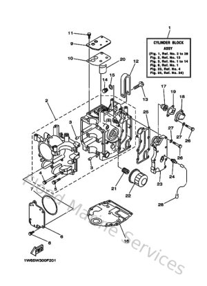
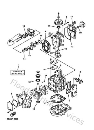
Cylinder & Crankcase 1
-
Cylinder & Crankcase 2
-
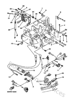
Electrical 1
-
Electrical 2
-
Fuel
-
Generator
-
Intake
-
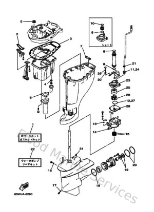
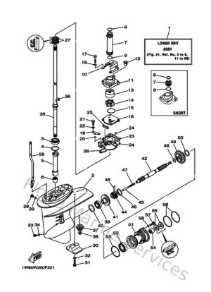
Lower Casing & Drive 1
-
Lower Casing & Drive 2
-
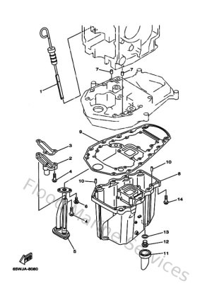
Oil Pan
-
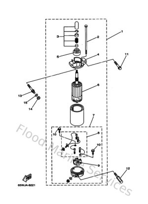
Oil Pump
-
Repair Kit 1
-
Repair Kit 2
-
Repair Kit 3
-
Starting Motor
-
Steering Guide
-
Top Cowling
-
Upper Casing
-
Valve