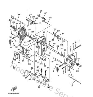
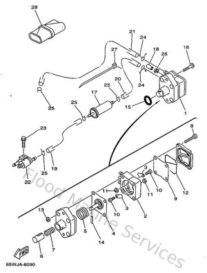
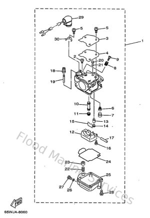
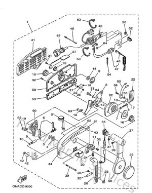
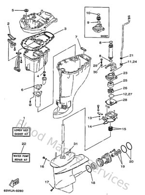
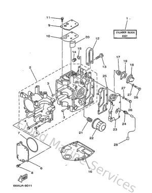
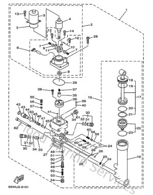
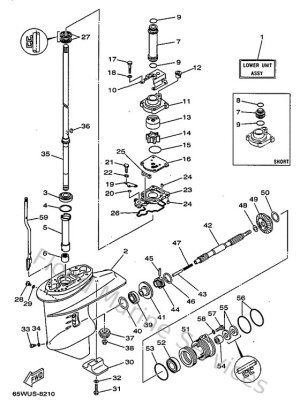
Diagram Sections: F20AM (1999)

Download as PDF