Diagram Sections: F225BET (2025)
-
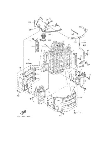
BOTTOM COWLING 1
-
BOTTOM COWLING 2
-
BRACKET 1
-
BRACKET 2
-
CONTROL
-
CRANKSHAFT & PISTON
-
CYLINDER & CRANKCASE 1
-
CYLINDER & CRANKCASE 2
-
CYLINDER & CRANKCASE 3
-
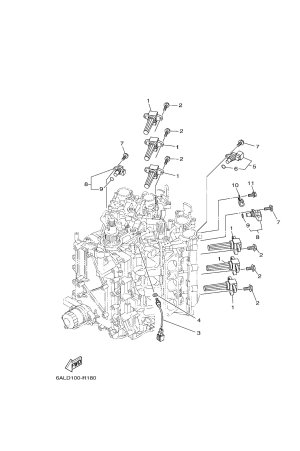
ELECTRICAL 1
-
ELECTRICAL 2
-
ELECTRICAL 3
-
ELECTRICAL 4
-
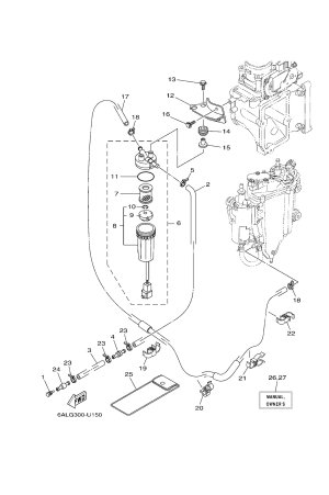
FUEL 1
-
FUEL 2
-
FUEL INJECTION PUMP 1
-
FUEL INJECTION PUMP 2
-
GENERATOR
-
INTAKE 1
-
INTAKE 2
-
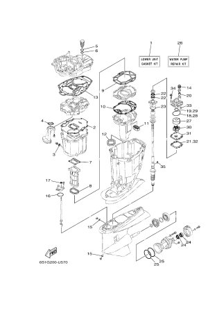
LOWER CASING & DRIVE 1
-
LOWER CASING & DRIVE 2
-
LOWER CASING & DRIVE 3
-
LOWER CASING & DRIVE 4
-
OIL PAN
-
OPTIONAL PARTS 1
-
OPTIONAL PARTS 2
-
OPTIONAL PARTS 3
-
OPTIONAL PARTS 4
-
OPTIONAL PARTS 5
-
OPTIONAL PARTS 6
-
OPTIONAL PARTS 7
-
POWER TRIM & TILT ASSY 1
-
POWER TRIM & TILT ASSY 2
-
REMOTE CONTROL ASSY 1
-
REMOTE CONTROL ASSY 2
-
REMOTE CONTROL BOX
-
REPAIR KIT 1
-
REPAIR KIT 2
-
SCHEDULED SERVICE PARTS
-
STARTING MOTOR
-
STEERING GUIDE ATTACHMENT 1
-
STEERING GUIDE ATTACHMENT 2
-
THROTTLE BODY ASSY 1
-
THROTTLE BODY ASSY 2
-
THROTTLE BODY ASSY 3
-
TOP COWLING
-
UPPER CASING
-
VALVE