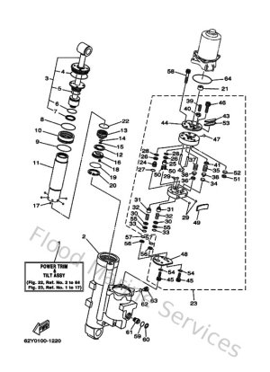
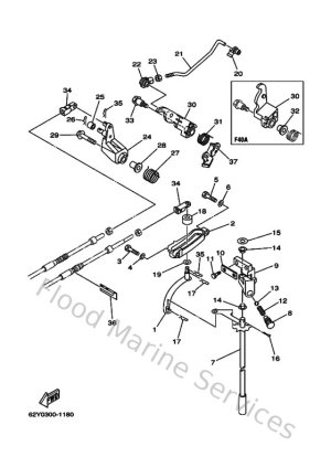
Diagram Sections: F40AET (2001)

Download as PDF