Diagram Sections: F40BM (2000)
Download as PDF-
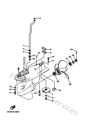
Bottom Cowling
-
Bracket 1
-
Bracket 3
-
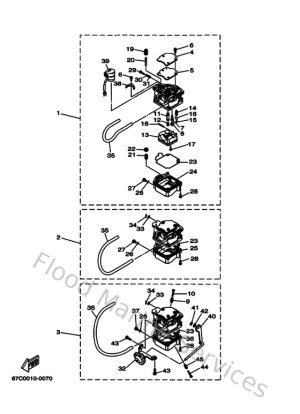
Carburetor
-
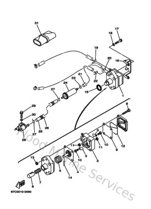
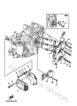
Control
-
Crankshaft & Piston
-
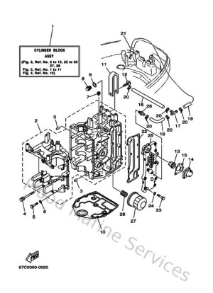
Cylinder & Crankcase
-
Cylinder & Crankcase 2
-
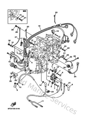
Electrical 1
-
Electrical 2
-
Fuel
-
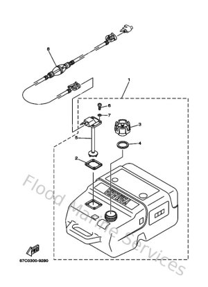
Fuel Tank
-
Generator
-
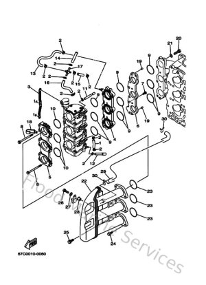
Intake
-
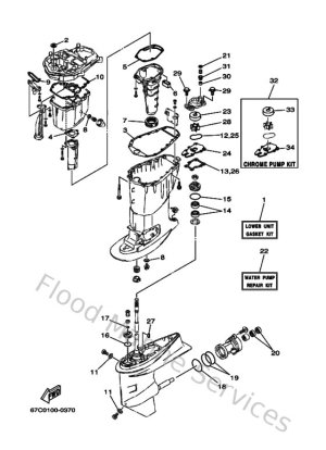
Lower Casing & Drive 1
-
Lower Casing & Drive 2
-
Meter
-
Oil Pan
-
Oil Pump
-
Remote Control Assy 1
-
Remote Control Box
-
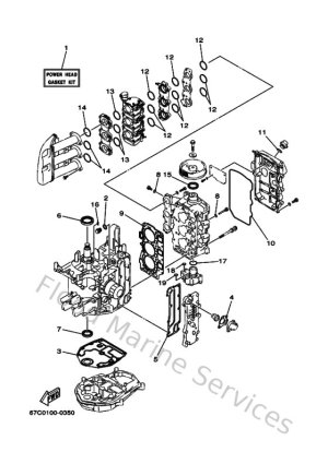
Repair Kit 1
-
Repair Kit 2
-
Repair Kit 3
-
Starting Motor
-
Steering Guide
-
Top Cowling
-
Upper Casing
-
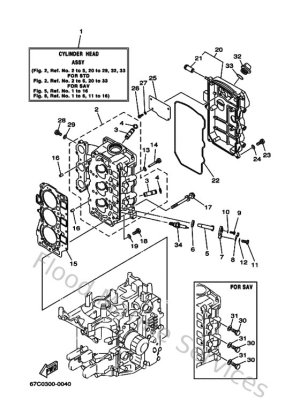
Valve