Diagram Sections: F45A (1996)
Download as PDF-
Alternate 1 ((STEERING GUIDE ATTACHMEN)
-
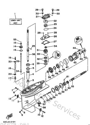
Boitier Dhelice, Transmissio (F50A/F45A)
-
Boitier Dhelice, Transmissio (F50B)
-
Bracket 1
-
Bracket 2
-
Capot Infprieur
-
Capot Supprieur
-
Carburetor
-
Carburetor Link
-
Control
-
Crankshaft & Piston
-
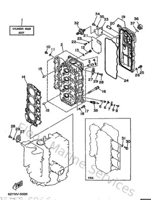
Cylinder. Crankcase 1
-
Cylinder. Crankcase 2
-
Electrical 1
-
Electrical 2
-
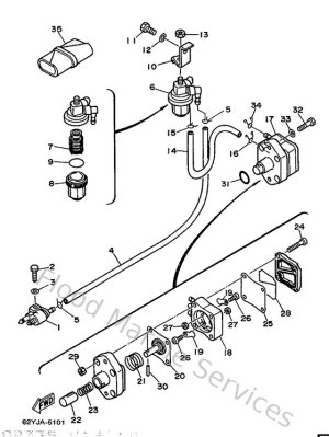
Fuel
-
Generator
-
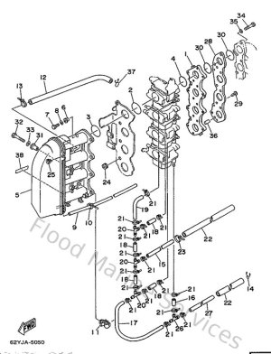
Intake
-
Kits De Reparation 3 (F50A/F45A)
-
Oil Pan
-
Oil Pump
-
Puissance Pare Et Incliner, En
-
Repair Kit 1
-
Repair Kit 2
-
Repair Kit 4 (F50B)
-
Starting Motor
-
Upper Casing
-
Valve