New Search
Parts
New Outboards
Diagram Sections: F4AMH (1998)
Download as PDF
Bottom Cowling
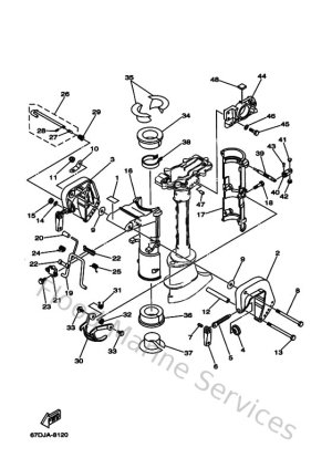
Bracket 1
Carburetor
Control
Crankshaft & Piston
Cylinder & Crankcase 1
Cylinder & Crankcase 2
Fuel 1
Fuel 2
Fuel Tank
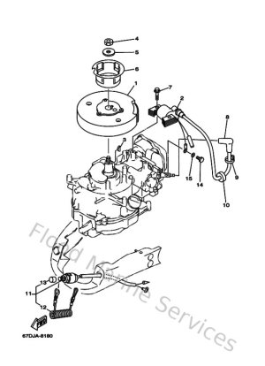
Generator
Intake
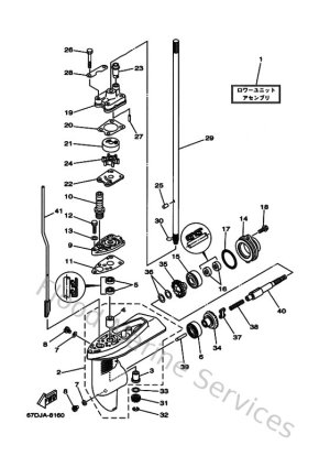
Lower Casing & Drive 1
Lower Casing & Drive 2
Repair Kit 1
Repair Kit 2
Starter
Steering
Top Cowling
Upper Casing
Valve