Diagram Sections: F80AET (1999)
Download as PDF-
Bottom Cowling
-
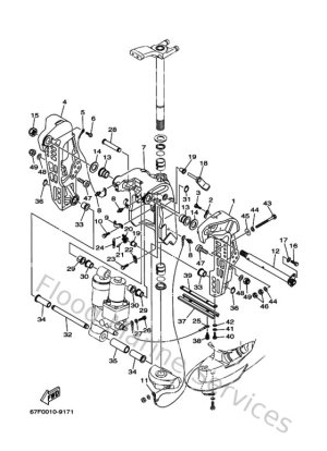
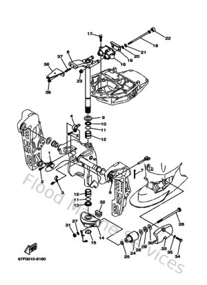
Bracket 1
-
Bracket 5
-
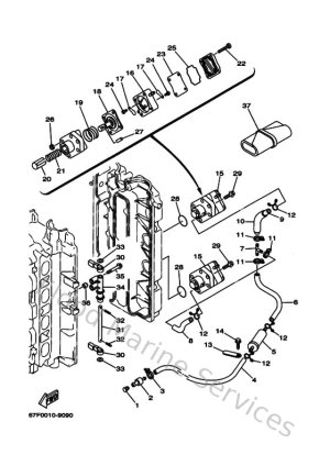
Carburetor 1
-
Carburetor 2
-
Control
-
Crankshaft & Piston
-
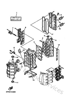
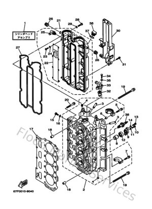
Cylinder & Crankcase
-
Cylinder & Crankcase 2
-
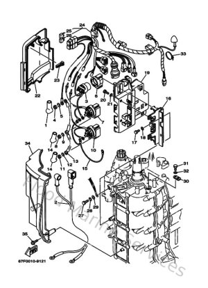
Electrical 1
-
Electrical 2
-
Electrical 3
-
Fuel
-
Fuel Tank
-
Generator
-
Intake
-
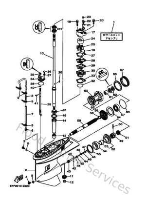
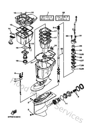
Lower Casing & Drive 1
-
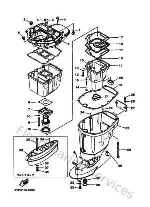
Lower Casing & Drive 2
-
Meter
-
Oil Pan
-
Optional Parts 1
-
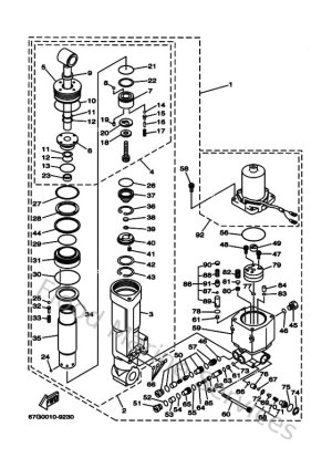
Power Trim & Tilt Assy 1
-
Power Trim & Tilt Assy 2
-
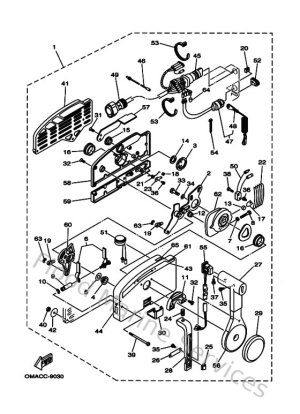
Remote Control Assy 1
-
Remote Control Assy 2
-
Remote Control Box
-
Repair Kit 1
-
Repair Kit 2
-
Repair Kit 3
-
Starting Motor
-
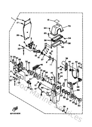
Steering
-
Steering 2
-
Steering Friction
-
Steering Guide
-
Top Cowling
-
Upper Casing
-
Valve