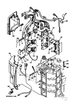
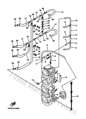
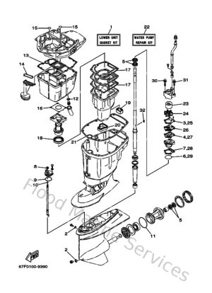
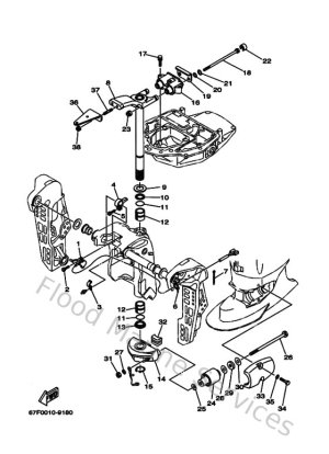
Diagram Sections: F80AET (2001)

Download as PDF