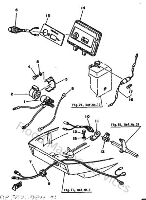
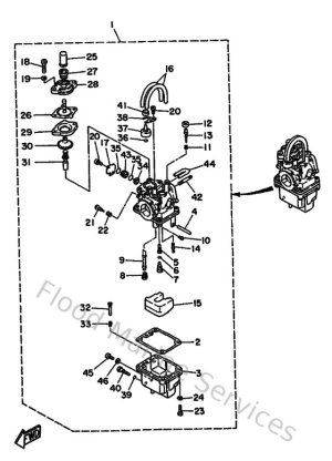
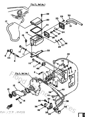
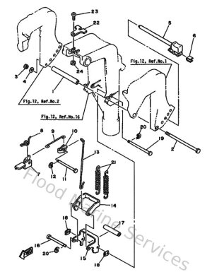
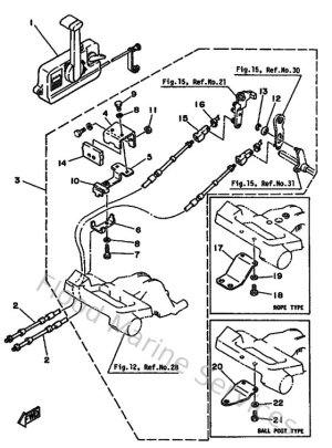
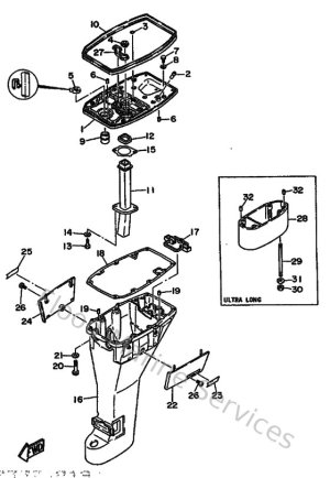
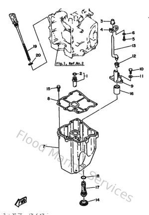
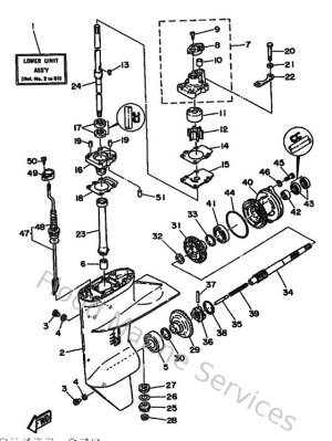
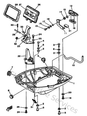
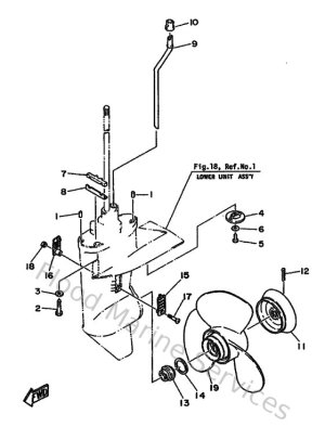
Diagram Sections: F8AMH (1986)

Download as PDF