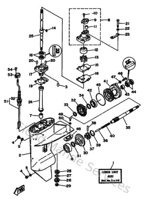
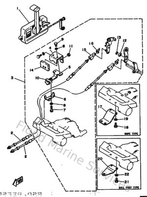
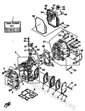
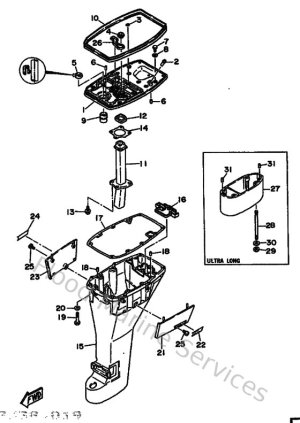
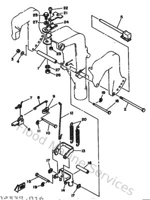
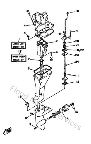
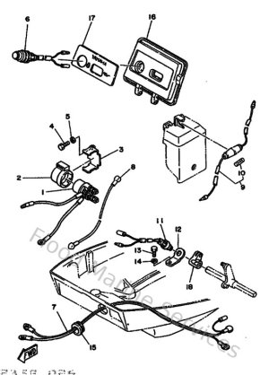
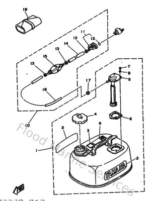
Diagram Sections: F8AMH (1989)

Download as PDF