Diagram Sections: F8BMH (1994)
Download as PDF-
Bottom Cowling
-
Bracket 1
-
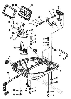
Bracket 2
-
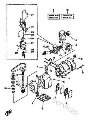
Carburetor
-
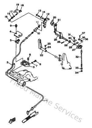
Control
-
Crankshaft & Piston
-
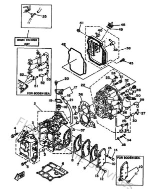
Cylinder & Crankcase
-
Demarreur Electrique
-
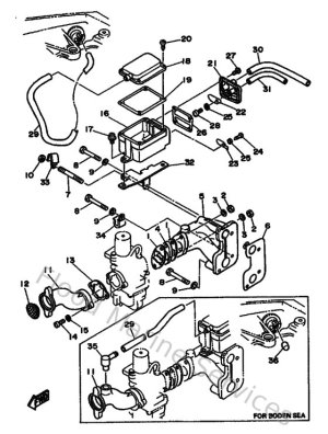
Fuel
-
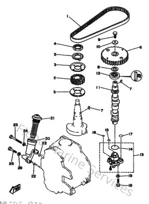
Generator
-
Intake
-
Kits De Reparation 1
-
Kits De Reparation 2
-
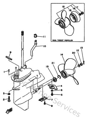
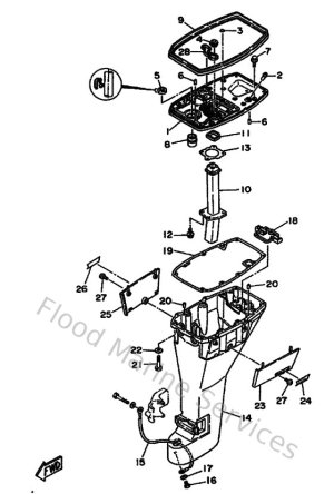
Lower Casing & Drive
-
Oil Pan
-
Oil Pump
-
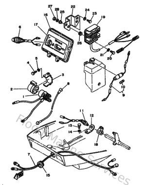
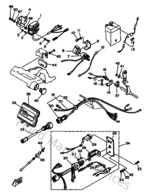
Partie Electrique 1
-
Partie Electrique 2
-
Partie Electrique 3
-
Starter
-
Steering
-
Top Cowling
-
Upper Casing
-
Valve