Diagram Sections: F8BMH (1999)
Download as PDF-
Bottom Cowling
-
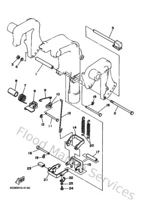
Bracket 1
-
Bracket 2
-
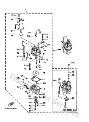
Carburetor
-
Controller 1
-
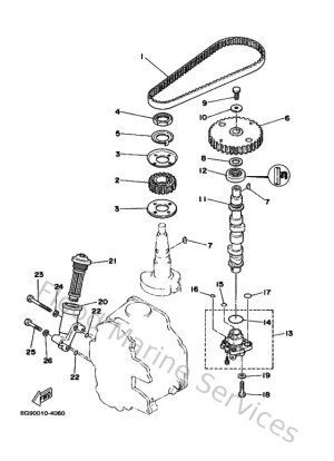
Crankshaft & Piston
-
Cylinder & Crankcase
-
Demarreur Electrique
-
Fuel
-
Fuel Tank 1
-
Generatrice
-
Intake
-
Kits De Reparation 1
-
Kits De Reparation 2
-
Lower Casing & Drive
-
Oil Pan
-
Oil Pump
-
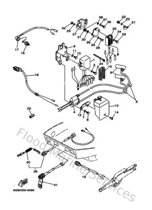
Partie Electrique 1
-
Partie Electrique 2
-
Steering
-
Top Cowling
-
Upper Casing
-
Valve