Diagram Sections: F9.9BMH (1989)
Download as PDF-
Bottom Cowling
-
Bracket 1
-
Bracket 2
-
Carburetor
-
Control
-
Crankshaft & Piston
-
Cylinder & Crankcase
-
Electric Motor
-
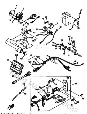
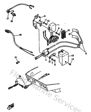
Electric Parts
-
Electric Parts 2
-
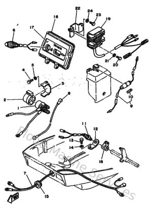
Electrical 1
-
Fuel
-
Fuel Tank
-
Generator
-
Intake
-
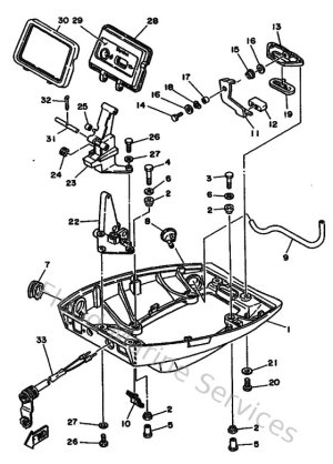
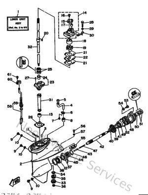
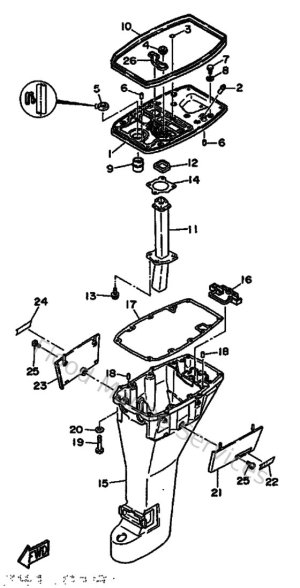
Lower Casing & Drive 1
-
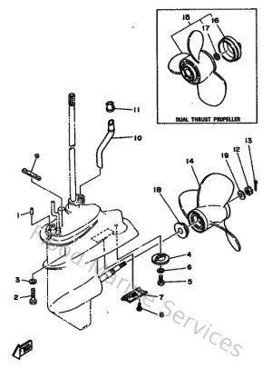
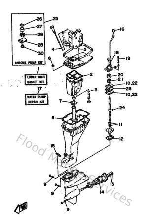
Lower Casing & Drive 2
-
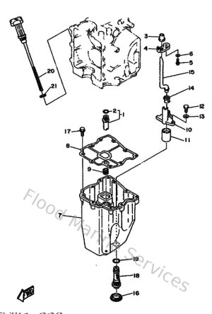
Oil Pan
-
Oil Pump
-
Optional Parts
-
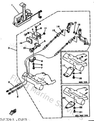
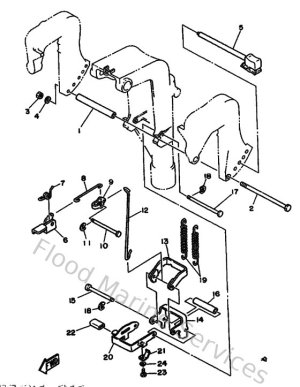
Remote Control
-
Remote Control Assy
-
Repair Kit 1
-
Repair Kit 2
-
Starter
-
Steering
-
Top Cowling
-
Upper Casing
-
Valve