Diagram Sections: F9.9BMH (1990)
Download as PDF-
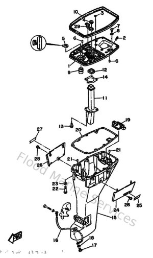
Bottom Cowling
-
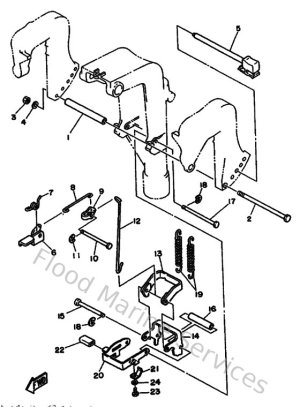
Bracket 1
-
Bracket 2
-
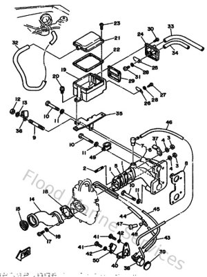
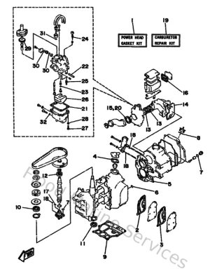
Carburetor
-
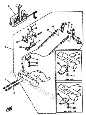
Control
-
Crankshaft & Piston
-
Cylinder & Crankcase
-
Electric Motor
-
Electric Parts
-
Electric Parts 2
-
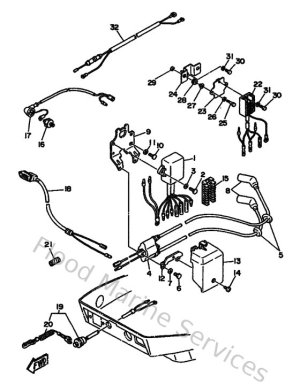
Electrical 1
-
Fuel
-
Fuel Tank
-
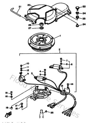
Generator
-
Intake
-
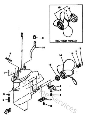
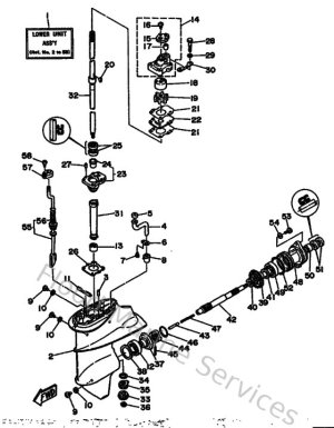
Lower Casing & Drive 1
-
Lower Casing & Drive 2
-
Oil Pan
-
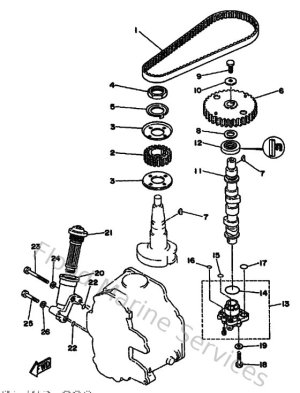
Oil Pump
-
Optional Parts
-
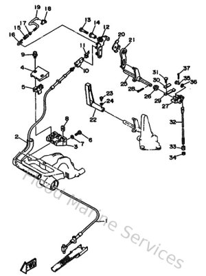
Remote Control
-
Remote Control Assy
-
Repair Kit 1
-
Repair Kit 2
-
Starter
-
Steering
-
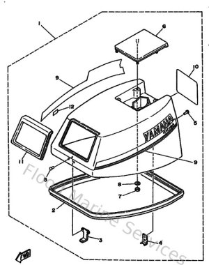
Top Cowling
-
Upper Casing
-
Valve