Diagram Sections: F9.9BMH (1991)
Download as PDF-
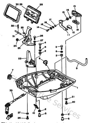
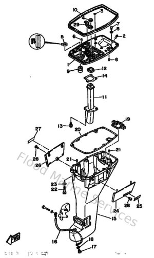
Bottom Cowling
-
Bracket 1
-
Bracket 2
-
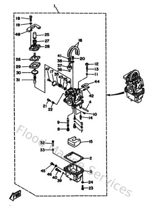
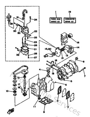
Carburetor
-
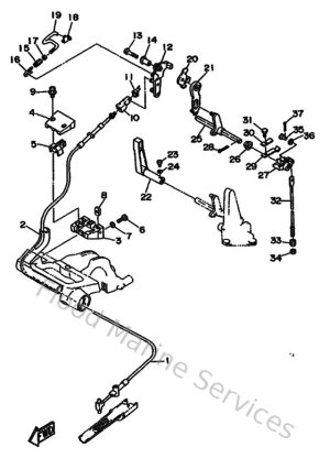
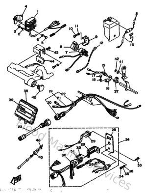
Control
-
Crankshaft & Piston
-
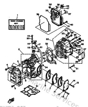
Cylinder & Crankcase
-
Electric Motor
-
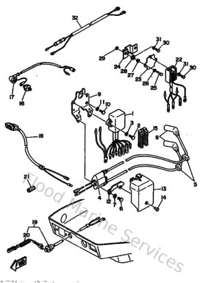
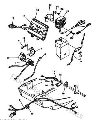
Electric Parts
-
Electric Parts 2
-
Electrical 1
-
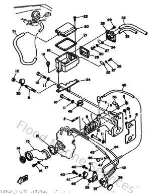
Fuel
-
Fuel Tank
-
Generator
-
Intake
-
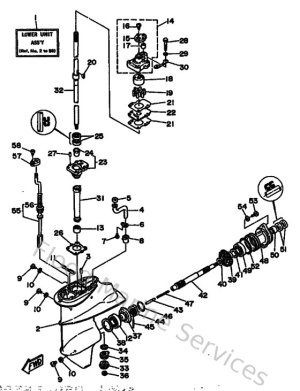
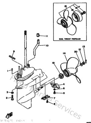
Lower Casing & Drive 1
-
Lower Casing & Drive 2
-
Oil Pan
-
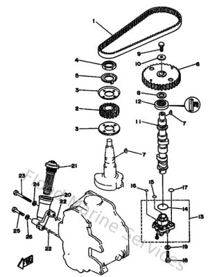
Oil Pump
-
Optional Parts
-
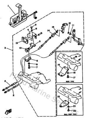
Remote Control
-
Remote Control Assy
-
Repair Kit 1
-
Repair Kit 2
-
Starter
-
Steering
-
Top Cowling
-
Upper Casing
-
Valve