Diagram Sections: F9.9BMH (2001)
Download as PDF-
Bottom Cowling
-
Bracket 1
-
Bracket 2
-
Carburetor
-
Control
-
Control 2
-
Crankshaft & Piston
-
Cylinder & Crankcase
-
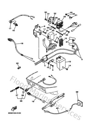
Electrical 1
-
Fuel
-
Fuel 2
-
Fuel Tank
-
Generator
-
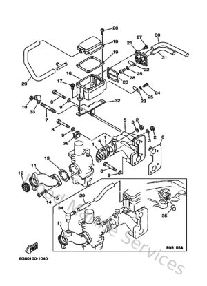
Intake
-
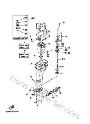
Lower Casing & Drive 1
-
Lower Casing & Drive 2
-
Oil Pan
-
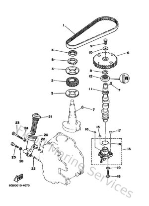
Oil Pump
-
Optional Parts 1
-
Repair Kit 1
-
Repair Kit 2
-
Starter
-
Steering
-
Steering 2
-
Top Cowling
-
Upper Casing
-
Valve