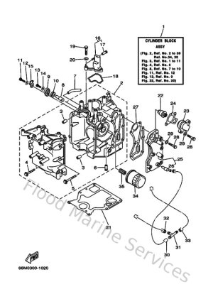
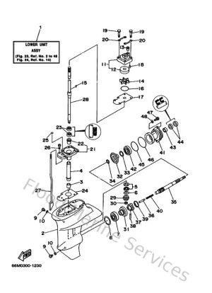
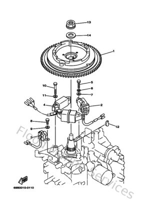
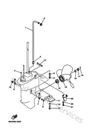
Diagram Sections: F9.9CMH (2001)

Download as PDF