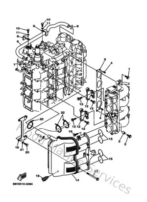
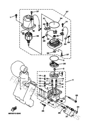
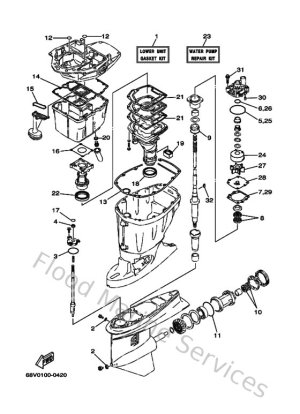
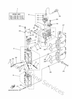
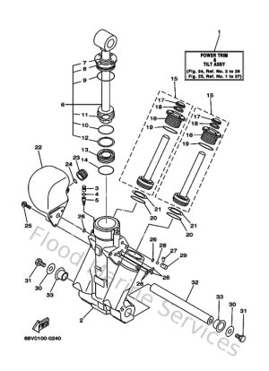
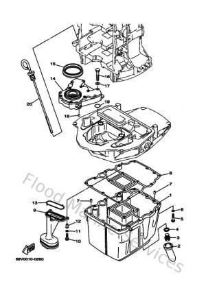
Diagram Sections: FL115AET (2001)

Download as PDF