Diagram Sections: FT8DMHSL (2001)
Download as PDF-
Bottom Cowling
-
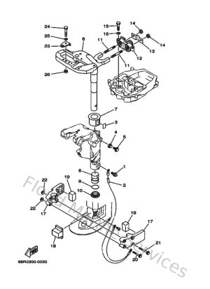
Bracket 1
-
Bracket 3
-
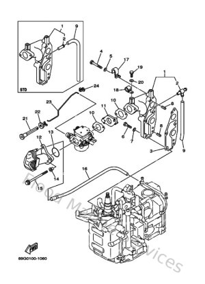
Carburetor
-
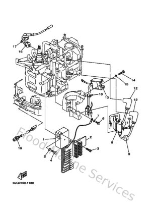
Control
-
Crankshaft & Piston
-
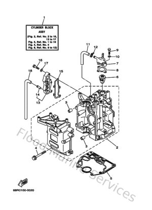
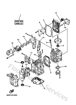
Cylinder & Crankcase
-
Cylinder & Crankcase 2
-
Electrical 1
-
Electrical 4
-
Fuel
-
Fuel Tank
-
Generator
-
Intake
-
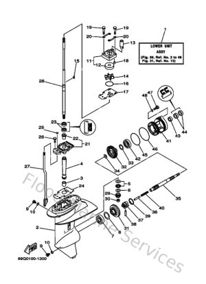
Lower Casing & Drive 1
-
Lower Casing & Drive 2
-
Oil Pan
-
Oil Pump
-
Optional Parts 1
-
Remo Con Attachment
-
Repair Kit 1
-
Repair Kit 2
-
Repair Kit 3
-
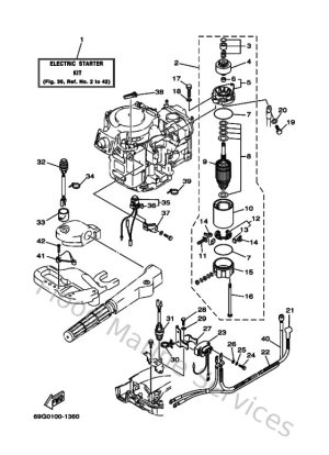
Starter
-
Starting Motor
-
Steering
-
Steering Friction
-
Top Cowling
-
Upper Casing
-
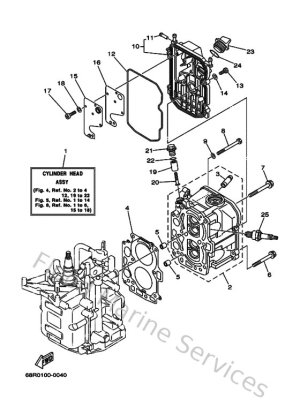
Valve