Diagram Sections: FT9.9AMH (1991)
Download as PDF-
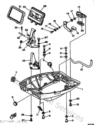
Bottom Cowling
-
Bracket 1
-
Bracket 2
-
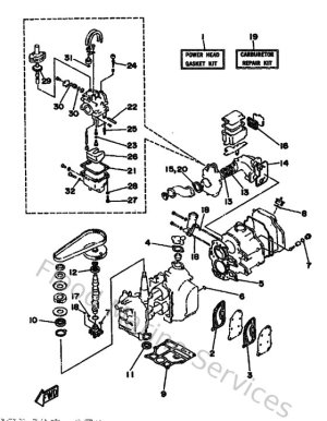
Carburetor
-
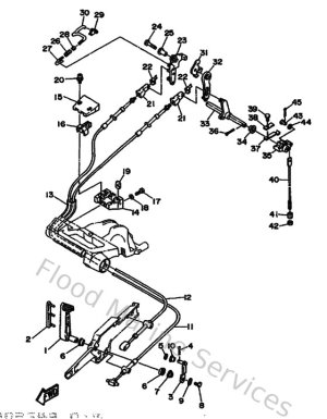
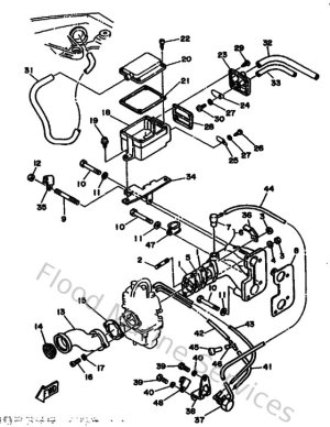
Control
-
Crankshaft & Piston
-
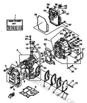
Cylinder & Crankcase
-
Electric Motor
-
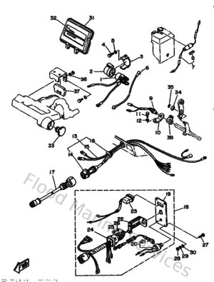
Electric Parts
-
Electric Parts 2
-
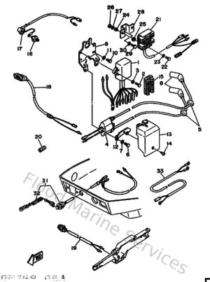
Electrical 1
-
Fuel
-
Fuel Tank
-
Generator
-
Intake
-
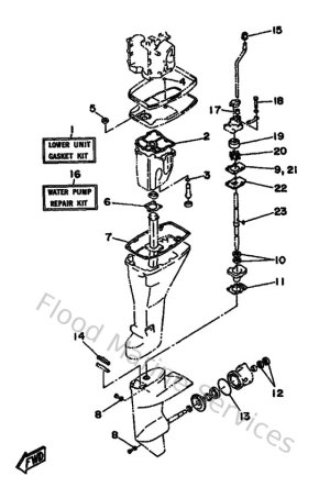
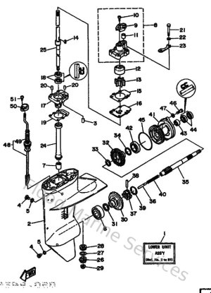
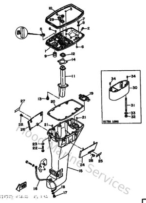
Lower Casing & Drive 1
-
Lower Casing & Drive 2
-
Oil Pan
-
Oil Pump
-
Optional Parts
-
Remote Control
-
Remote Control Assy
-
Repair Kit 1
-
Repair Kit 2
-
Starter
-
Steering
-
Top Cowling
-
Upper Casing
-
Valve