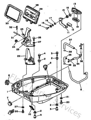
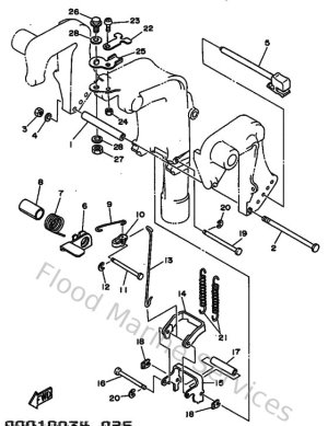
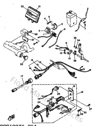
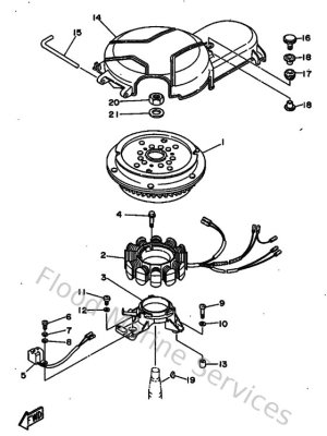
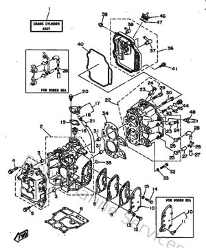
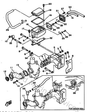
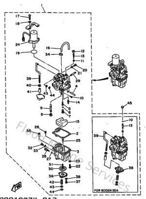
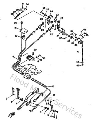
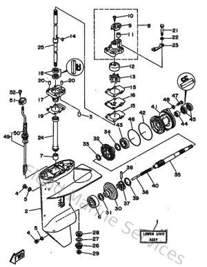
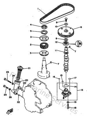
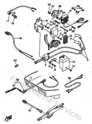
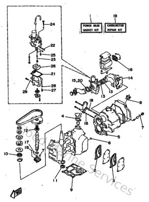
Diagram Sections: FT9.9AMH (1997)

Download as PDF