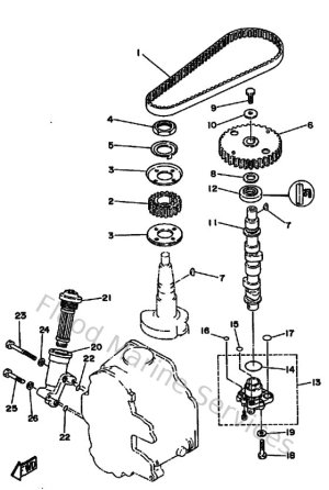
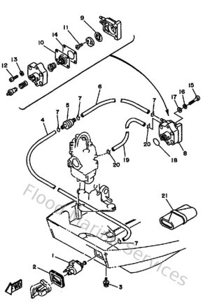
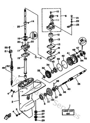
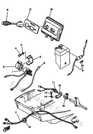
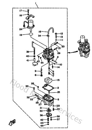
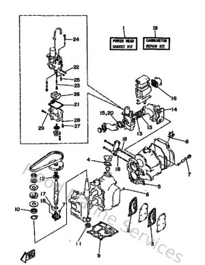
Diagram Sections: FT9.9AMH (1998)

Download as PDF