Diagram Sections: L130BETOL (1992)
Download as PDF-
Bottom Cowling
-
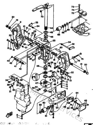
Bracket 1
-
Bracket 2
-
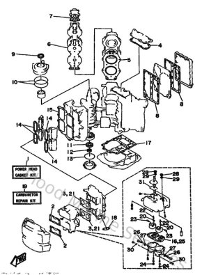
Carburetor
-
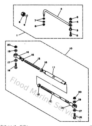
Control
-
Crankshaft & Piston
-
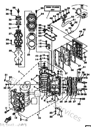
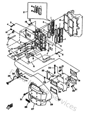
Cylinder & Crankcase
-
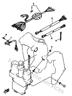
Electrical 1
-
Electrical 2
-
Electrical 3
-
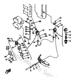
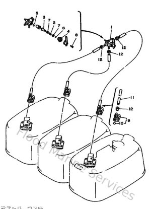
Fuel 1
-
Fuel 2
-
Intake
-
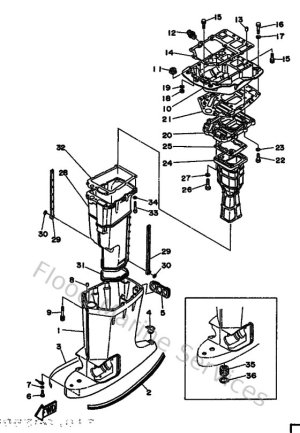
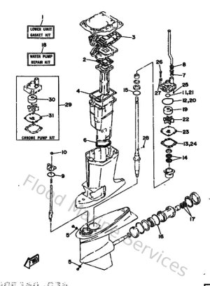
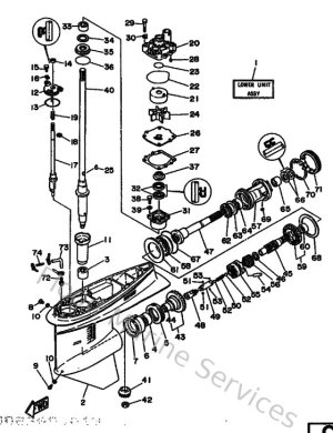
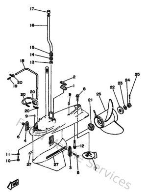
Lower Casing & Drive 1
-
Lower Casing & Drive 2
-
Magneto
-
Oil Pump
-
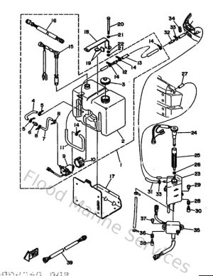
Oil Tank
-
Optional Parts 1
-
Optional Parts 2
-
Optional Parts 3
-
Optional Parts 4
-
Optional Parts 5
-
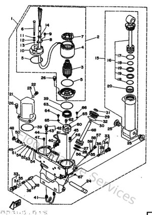
Power Trim & Tilt Assy
-
Remote Control
-
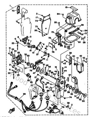
Remote Control Assy 1
-
Remote Control Assy 2
-
Remote Control Assy 3
-
Repair Kit 1
-
Repair Kit 2
-
Starting Motor
-
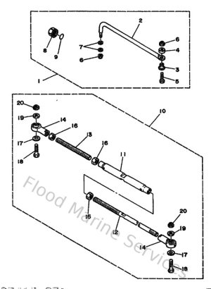
Steering Guide
-
Top Cowling
-
Upper Casing