Diagram Sections: L130BETOL (1994)
Download as PDF-
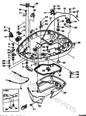
Bottom Cowling
-
Bracket 1
-
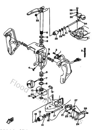
Bracket 2
-
Bracket 3
-
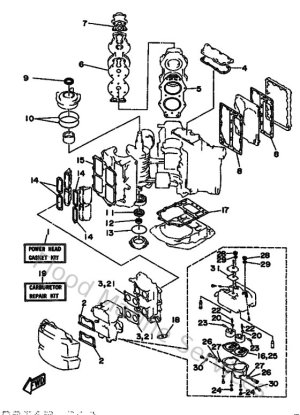
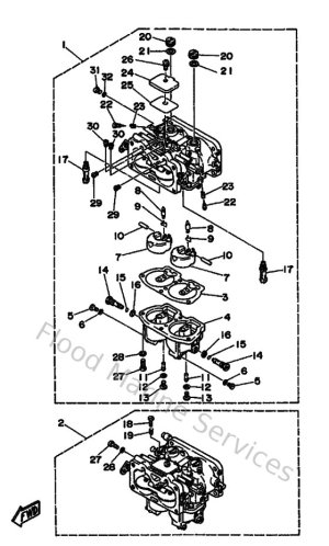
Carburetor
-
Controller 1
-
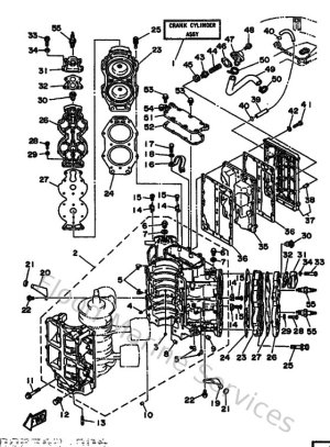
Crankshaft & Piston
-
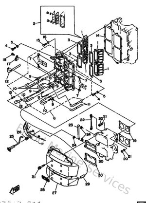
Cylinder & Crankcase
-
Demarreur Electrique
-
Fuel 1
-
Generatrice
-
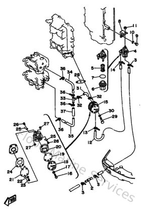
Intake
-
Kits De Reparation 1
-
Kits De Reparation 2
-
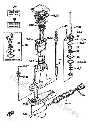
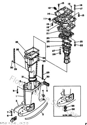
Lower Casing & Drive
-
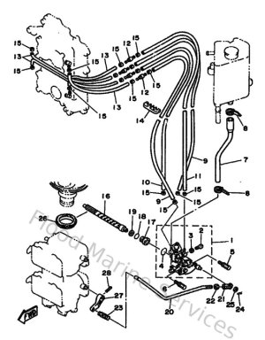
Oil Pump
-
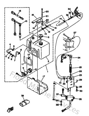
Oil Tank
-
Optionnelles 1
-
Optionnelles 2
-
Partie Electrique 1
-
Partie Electrique 2
-
Power Trim & Tilt Assy
-
Top Cowling
-
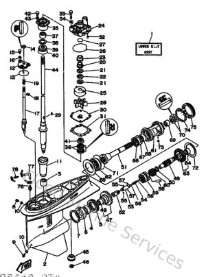
Upper Casing