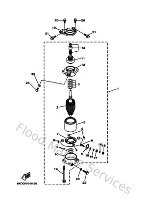
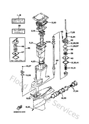
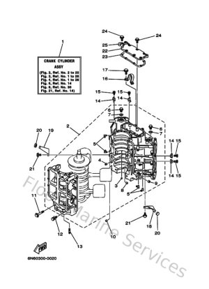
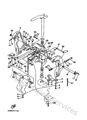
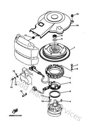
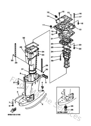
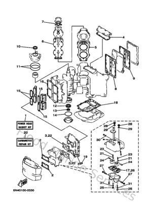
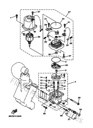
Diagram Sections: L130BETOL (2001)

Download as PDF