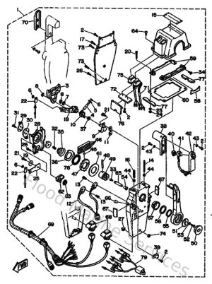
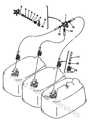
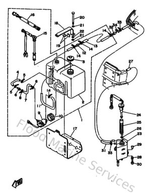
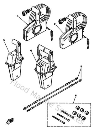
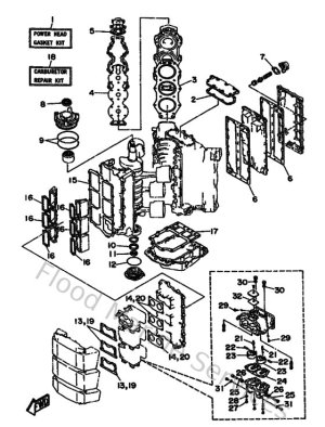
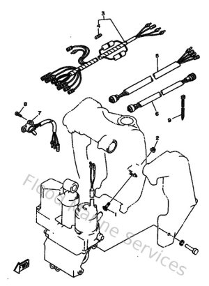
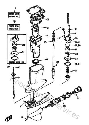
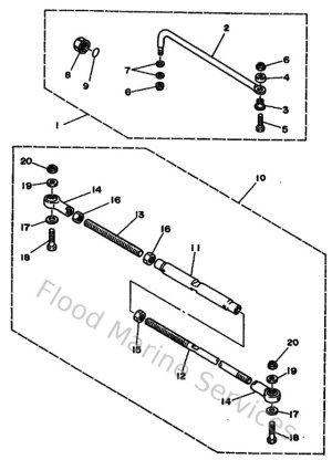
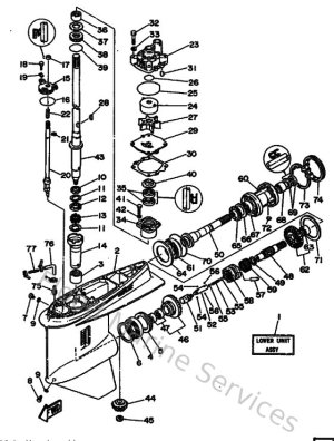
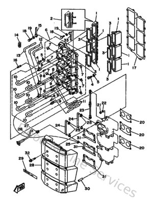
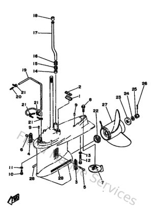
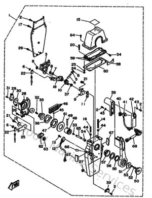
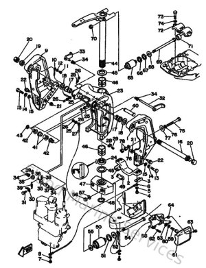
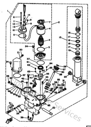
Diagram Sections: L150CETOL (1990)

Download as PDF