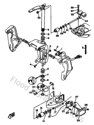
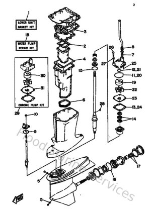
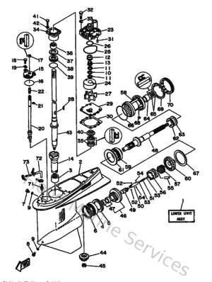
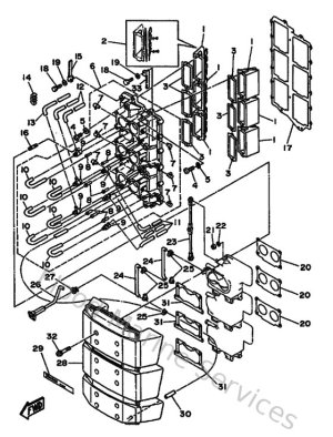
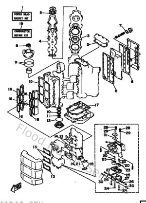
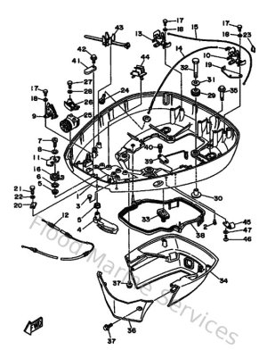
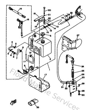
Diagram Sections: L150CETOL (1995)

Download as PDF