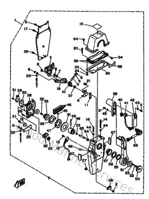
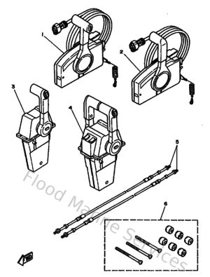
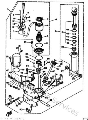
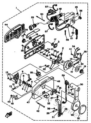
Diagram Sections: L200BETOL (1991)

Download as PDF