Diagram Sections: L250BETO (2000)
Download as PDF-
Bottom Cowling
-
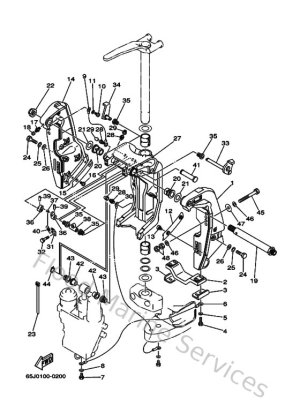
Bracket 1
-
Bracket 2
-
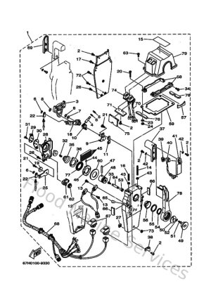
Control
-
Crankshaft & Piston
-
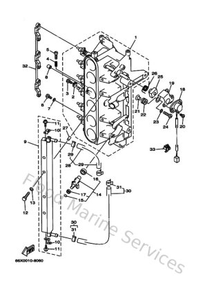
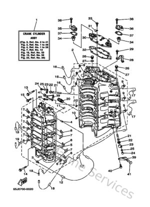
Cylinder & Crankcase
-
Cylinder & Crankcase 2
-
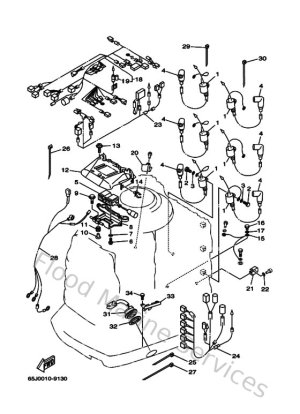
Electrical 1
-
Electrical 2
-
Electrical 3
-
Electrical 4
-
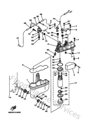
Fuel
-
Fuel 2
-
Fuel Injection Nozzle
-
Fuel Injection Pump
-
Generator
-
Intake
-
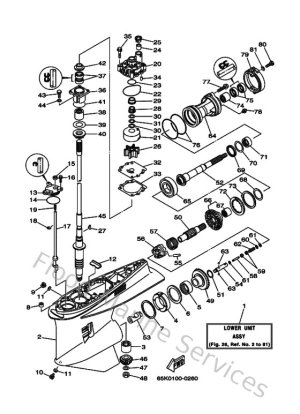
Lower Casing & Drive 3
-
Lower Casing & Drive 4
-
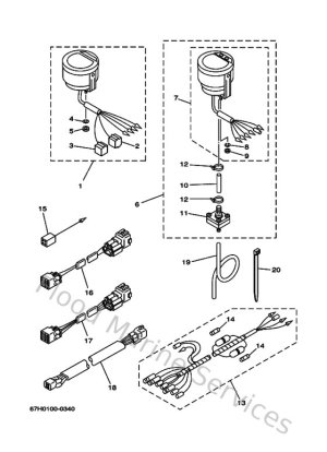
Meter
-
Oil Pump
-
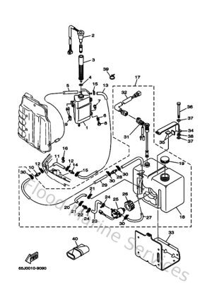
Oil Tank
-
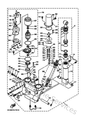
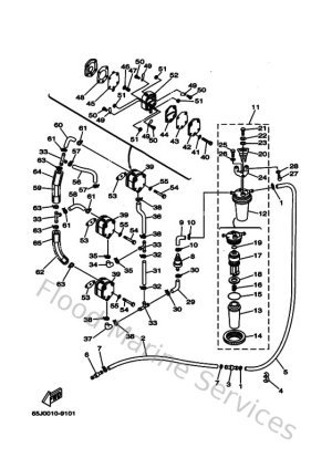
Power Trim & Tilt Assy
-
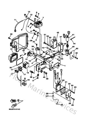
Remote Control Assy 2
-
Remote Control Box
-
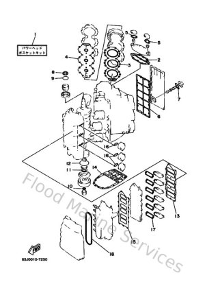
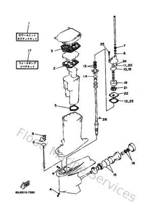
Repair Kit 1
-
Repair Kit 2
-
Starting Motor
-
Steering Guide Attachment 1
-
Steering Guide Attachment 2
-
Switch & Panel
-
Top Cowling
-
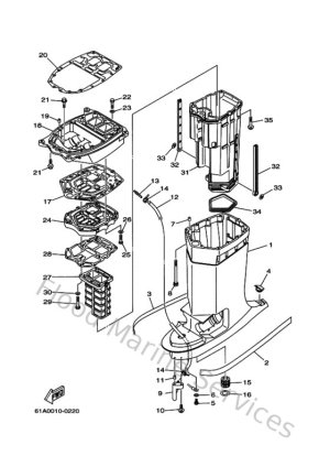
Upper Casing