Diagram Sections: LF150CC (2025)
-
BOTTOM COWLING 1
-
BOTTOM COWLING 2
-
BOTTOM COWLING 3
-
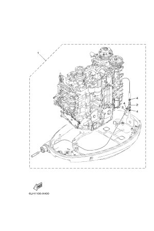
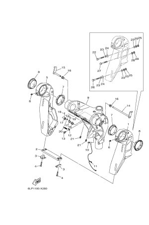
BRACKET 1
-
BRACKET 2
-
BRACKET 3
-
BRACKET 4
-
BRACKET 5
-
BRACKET 6
-
CONTROL
-
CRANKSHAFT & PISTON
-
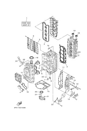
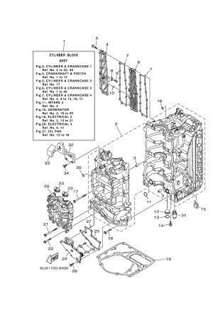
CYLINDER & CRANKCASE 1
-
CYLINDER & CRANKCASE 2
-
CYLINDER & CRANKCASE 3
-
CYLINDER & CRANKCASE 4
-
ELECTRICAL 1
-
ELECTRICAL 2
-
ELECTRICAL 3
-
ELECTRICAL 4
-
ELECTRICAL 5
-
ELECTRICAL 6
-
FUEL 1
-
FUEL 2
-
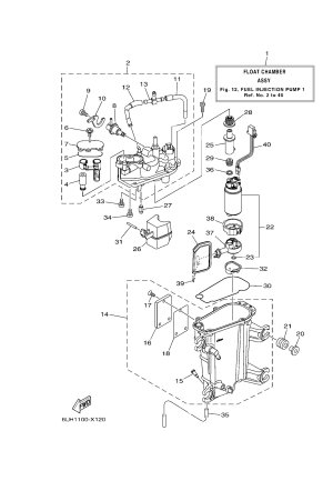
FUEL INJECTION PUMP 1
-
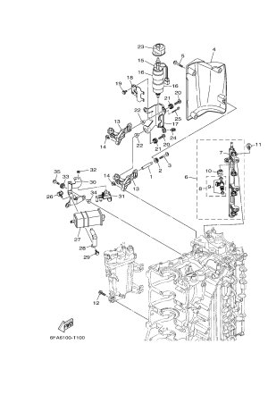
FUEL INJECTION PUMP 2
-
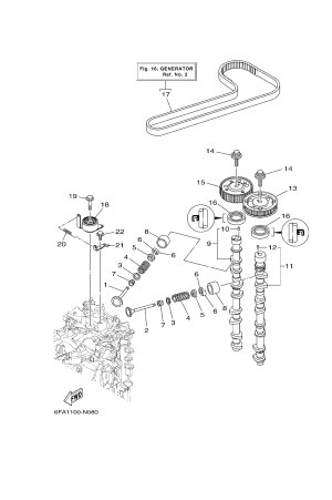
GENERATOR
-
INTAKE 1
-
INTAKE 2
-
INTAKE 3
-
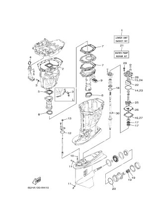
LOWER CASING & DRIVE 1
-
LOWER CASING & DRIVE 2
-
LOWER CASING & DRIVE 3
-
LOWER CASING & DRIVE 4
-
OIL PAN
-
OPTIONAL PARTS
-
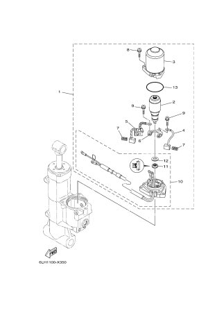
POWER TRIM & TILT ASSY 1
-
POWER TRIM & TILT ASSY 2
-
REPAIR KIT 1
-
REPAIR KIT 2
-
SCHEDULED SERVICE PARTS
-
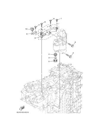
STARTING MOTOR
-
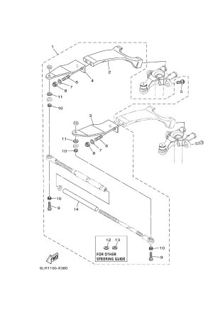
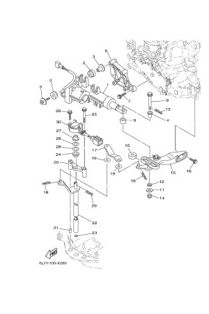
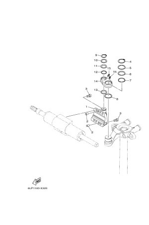
STEERING GUIDE 1
-
STEERING GUIDE 2
-
TOP COWLING
-
UPPER CASING
-
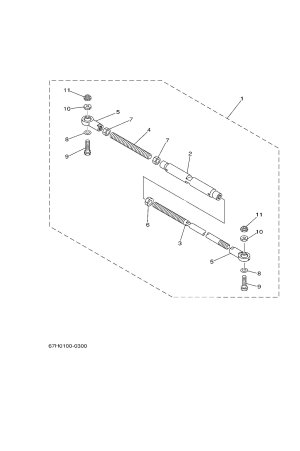
VALVE