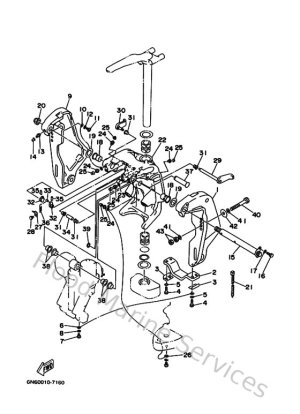
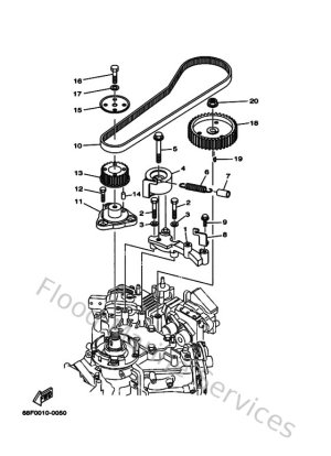
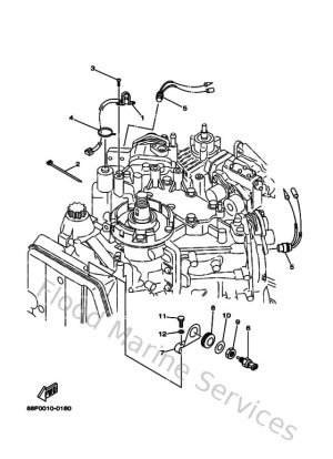
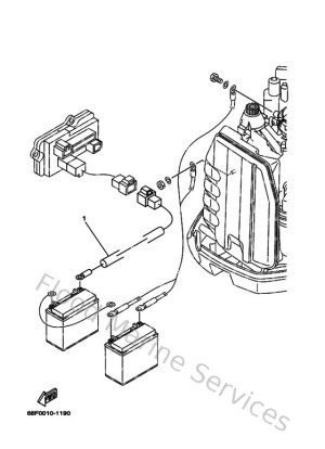
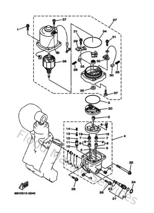
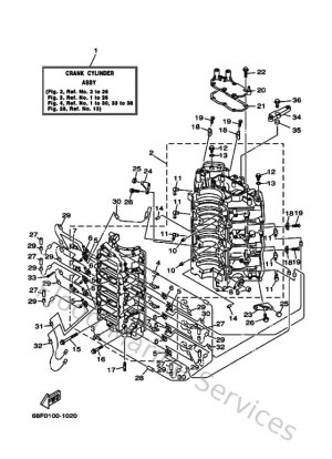
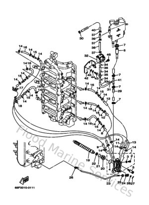
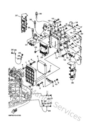
Diagram Sections: LZ150PETO (2001)

Download as PDF