Diagram Sections: LZ200NETO (2000)
Download as PDF-
Bottom Cowling
-
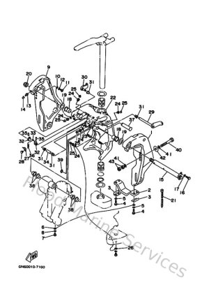
Bracket 1
-
Bracket 2
-
Control
-
Crankshaft & Piston
-
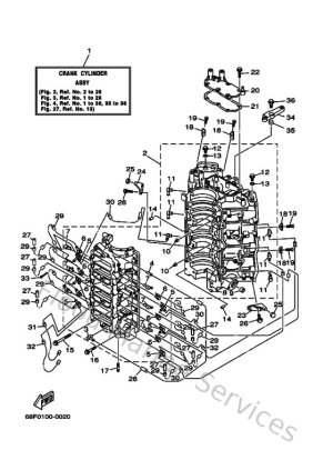
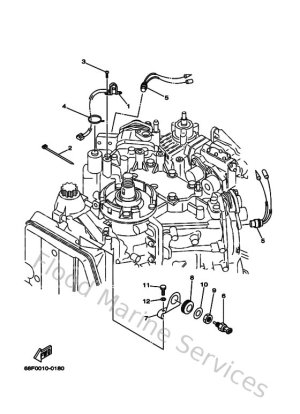
Cylinder & Crankcase
-
Cylinder & Crankcase 2
-
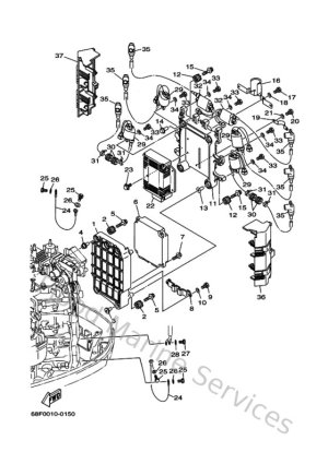
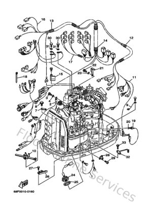
Electrical 1
-
Electrical 2
-
Electrical 3
-
Electrical 4
-
Fuel
-
Fuel 2
-
Fuel Injection Nozzle
-
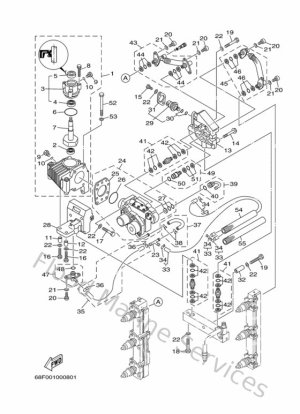
Fuel Injection Pump
-
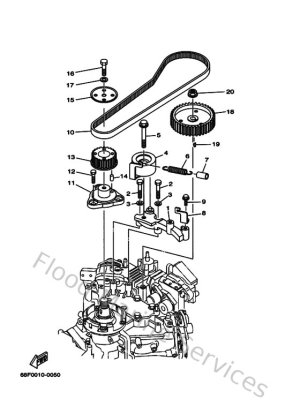
Fuel Pump Drive Gear
-
Generator
-
Intake
-
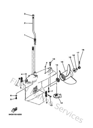
Lower Casing & Drive 3
-
Lower Casing & Drive 4
-
Meter
-
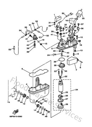
Oil Pump
-
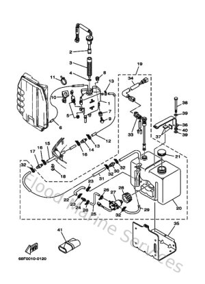
Oil Tank
-
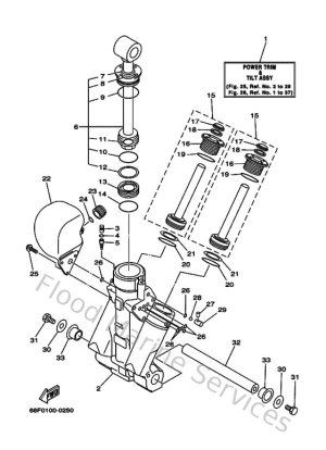
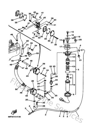
Power Trim & Tilt Assy 1
-
Power Trim & Tilt Assy 2
-
Remote Control Assy 2
-
Remote Control Box
-
Repair Kit 1
-
Repair Kit 2
-
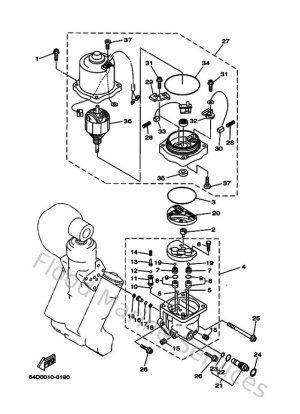
Starting Motor
-
Steering Guide Attachment 2
-
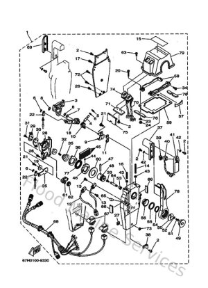
Switch & Panel
-
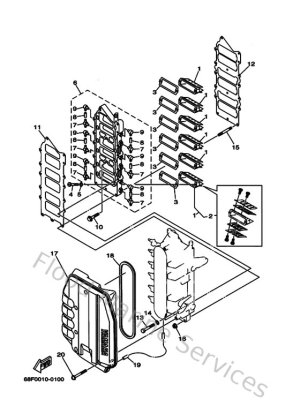
Top Cowling
-
Upper Casing
-
Vapor Separator 1
-
Vapor Separator 2