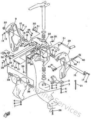
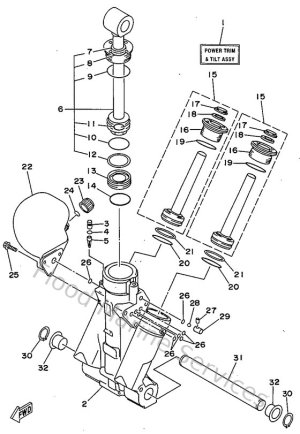
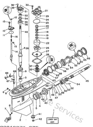
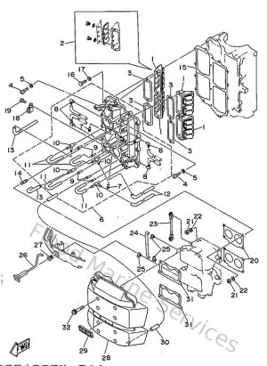
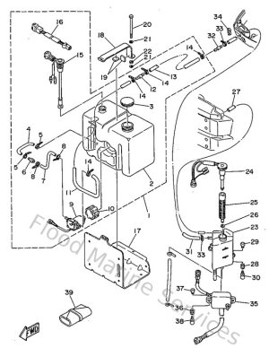
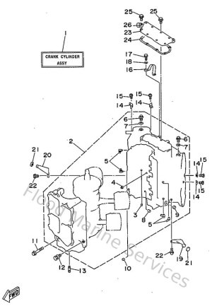
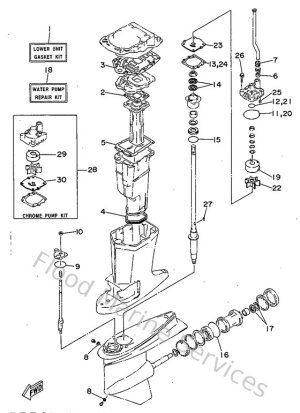
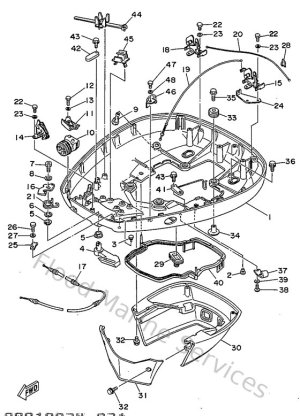
Diagram Sections: P100ETO (1997)

Download as PDF