Diagram Sections: P200ETOL (1993)
Download as PDF-
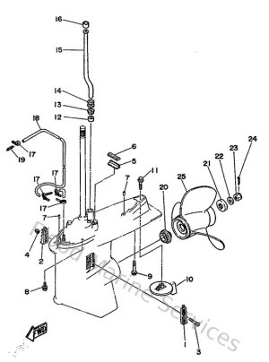
Bottom Cowling
-
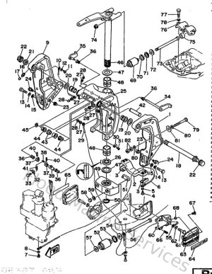
Bracket 1
-
Bracket 2
-
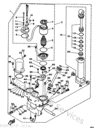
Carburetor
-
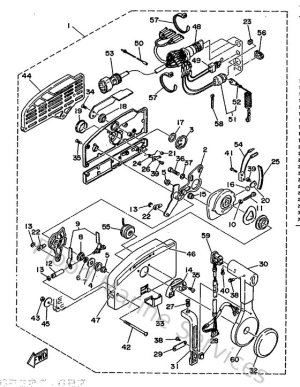
Control
-
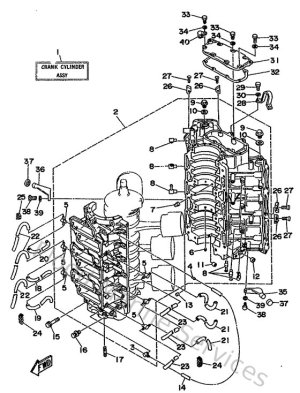
Crankshaft & Piston
-
Cylinder. Crankcase 1
-
Cylinder. Crankcase 2
-
Electrical 1
-
Electrical 2
-
Fuel 1
-
Fuel 2
-
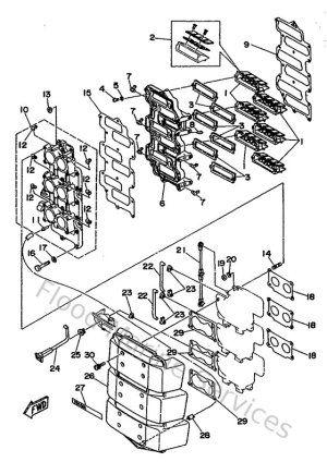
Intake
-
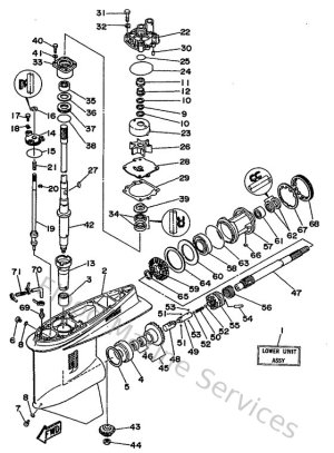
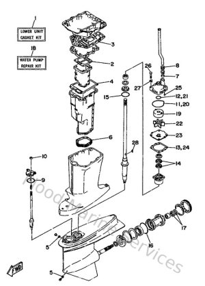
Lower Casing Drive 1
-
Lower Casing. Drive 2
-
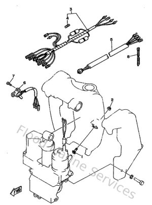
Magneto
-
Oil Pump
-
Oil Tank
-
Optional Parts 1
-
Optional Parts 2
-
Optional Parts 3
-
Optional Parts 4
-
Optional Parts 5
-
Optional Parts 6
-
Power Trim & Tilt Assy
-
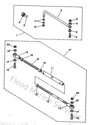
Remote Control
-
Remote Control Assy
-
Repair Kit 1
-
Repair Kit 2
-
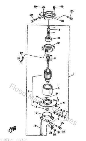
Starting Motor
-
Steering Guide Attachment
-
Top Cowling
-
Upper Casing