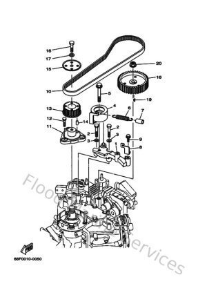
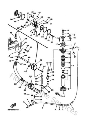
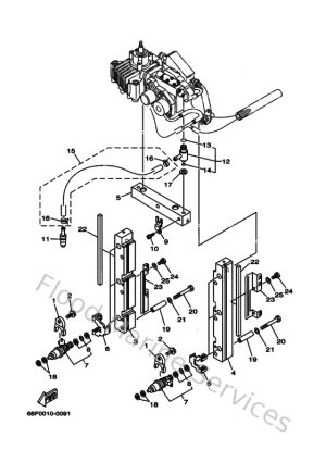
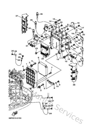
Diagram Sections: Z150Q (2000)

Download as PDF