Diagram Sections: Z200NETO (2000)
Download as PDF-
Bottom Cowling
-
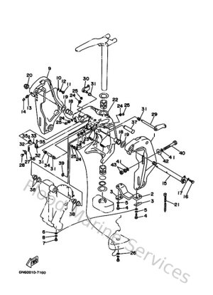
Bracket 1
-
Bracket 2
-
Control
-
Crankshaft & Piston
-
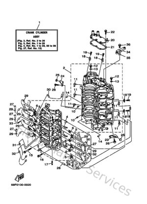
Cylinder & Crankcase
-
Cylinder & Crankcase 2
-
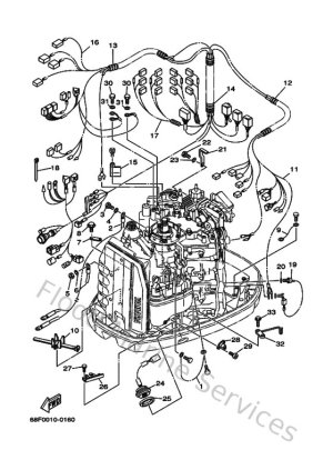
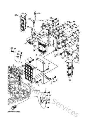
Electrical 1
-
Electrical 2
-
Electrical 3
-
Electrical 4
-
Fuel
-
Fuel 2
-
Fuel Injection Nozzle
-
Fuel Injection Pump
-
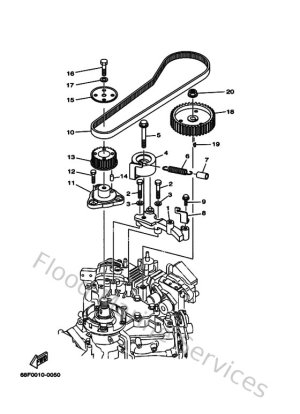
Fuel Pump Drive Gear
-
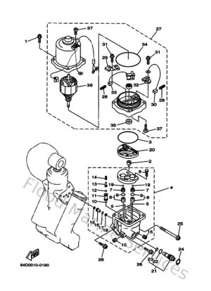
Generator
-
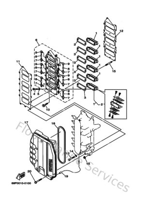
Intake
-
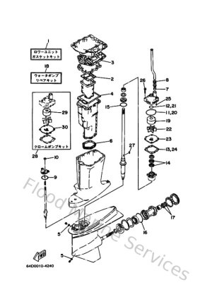
Lower Casing & Drive 1
-
Lower Casing & Drive 2
-
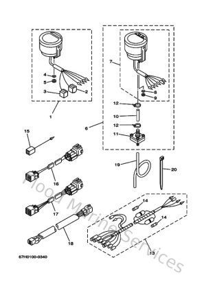
Meter
-
Oil Pump
-
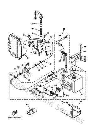
Oil Tank
-
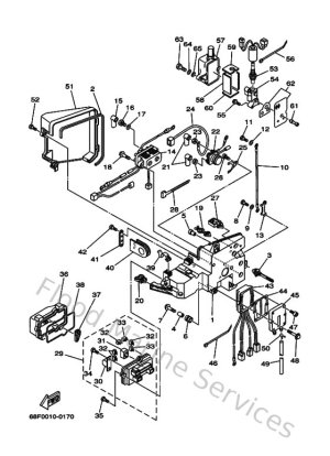
Power Trim & Tilt Assy 1
-
Power Trim & Tilt Assy 2
-
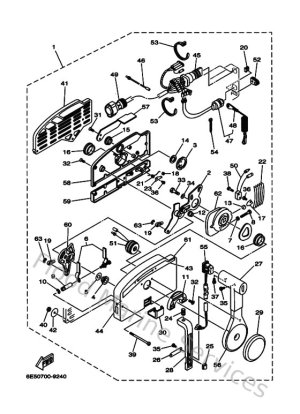
Remote Control Assy 1
-
Remote Control Box
-
Repair Kit 1
-
Repair Kit 2
-
Starting Motor
-
Steering Guide Attachment 1
-
Top Cowling
-
Upper Casing
-
Vapor Separator 1
-
Vapor Separator 2