Yamaha Outboard Parts - Cylinder & Crankcase - 2BMH (1990) | Flood Marine
New Search
Parts
New Outboards
Home
2BMH (1990)
Cylinder & Crankcase
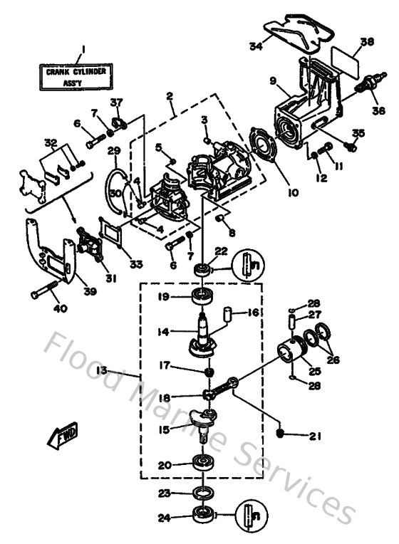
Diagram: Cylinder & Crankcase
Parts List
Reference
Description
Price
2
6A1151006094
Crank case assembly
Loading…
↗
3
903360600100
Plug, blind 6551131300
Loading…
↗
4
650144850200
Pipe, joint
Loading…
↗
5
624113790000
Valve, check
Loading…
↗
6
970950604000
Bolt (682)
Loading…
↗
7
929900660000
Washer, plain (646)
Loading…
↗
8
995301001400
Pin, dowel
Loading…
↗
9
6A1111110194
Head, cylinder 1
Loading…
↗
10
6A111181A100
Gasket, cylinder head 1
Loading…
↗
11
973950602500
Bolt
Loading…
↗
13
6A1114000000
Crankshaft assembly
Loading…
↗
14
646114120100
Crank 1
Loading…
↗
15
6A1114220000
Crank 2
Loading…
↗
16
646116810000
Pin, crank 1
Loading…
↗
17
933103143900
Brg,cyl-cal roller 5g tm
Loading…
↗
18
646116510200
Rod, connecting
Loading…
↗
19
933060040900
Brg,r-b 6004 42mm 69g nk
Loading…
↗
20
933063020400
Brg,r-b 6302 42mm 82g nk
Loading…
↗
21
93310210V100
Bearing (27v)
Loading…
↗
22
931022010800
Oil seal
Loading…
↗
23
902013530000
Washer, Plate
Loading…
↗
24
9310215M3200
Oil seal(6a1)
Loading…
↗
25
646116360100
Piston (0.50Mm O/s)
Loading…
↗
26
646116010100
Piston Ring Set (Std)
Loading…
↗
27
646116330000
Pin,piston
Loading…
↗
28
934501102100
Circlip 101116340000
Loading…
↗
29
9044507MA300
Hose (l200)
Loading…
↗
30
904670601600
Clip (655)
Loading…
↗
31
6A1136100000
Reed valve assembly
Loading…
↗
32
6A1W00040000
Reed set
Loading…
↗
33
6A1136210000
Gasket, valve seat
Loading…
↗
34
6A1241410000
Protector, fuel tank
Loading…
↗
35
9010506M2300
Bolt (6g1)
Loading…
↗
37
904650802800
Clamp (1e6)
Loading…
↗
39
6A1157710000
Stay 1
Loading…
↗
40
973130606000
Bolt, hexagon
Loading…
↗