Yamaha Outboard Parts - Cylinder. Crankcase 2 - F45A (1996) | Flood Marine
New Search
Parts
New Outboards
Home
F45A (1996)
Cylinder. Crankcase 2
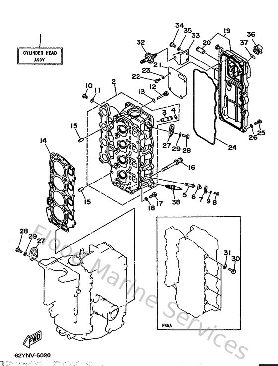
Diagram: Cylinder. Crankcase 2
Parts List
Reference
Description
Price
1
62YW009A004D
Cylinder Head Complete
Loading…
↗
2
62Y111111094
Head, Cylinder 1
Loading…
↗
3
62Y111333000
Guide, valve 1
Loading…
↗
4
9345009M0100
Circlip (6g8)
Loading…
↗
5
6J8113250000
Anode
Loading…
↗
6
62Y113280000
Grommet, anode
Loading…
↗
7
6H3113270000
Cover, anode
Loading…
↗
8
970130602000
Bolt(62y)
Loading…
↗
9
929900660000
Washer, plain (646)
Loading…
↗
10
970950601000
Bolt
Loading…
↗
11
904300601400
Gasket 256113960000
Loading…
↗
12
9010906M6500
Bolt(62y)
Loading…
↗
14
62Y111810000
Gasket, cylinder head 1
Loading…
↗
15
995300801200
Pin, dowel(6g8)
Loading…
↗
16
9011909M0000
Bolt, with washer(62y)
Loading…
↗
17
970130602500
Bolt(62y)
Loading…
↗
19
62Y11191029S
Cover, cylinder head 1
Loading…
↗
20
62Y144850000
Pipe, joint
Loading…
↗
21
62Y111680000
Cover, breather
Loading…
↗
22
985070401000
Screw, pan head(6g8)
Loading…
↗
23
929070460000
Washer(jf2)
Loading…
↗
24
62Y113560000
Seal, cylinder 2
Loading…
↗
27
62Y111190000
Hanger, engine
Loading…
↗
28
970950602000
Bolt(7u8)
Loading…
↗
30
970950801400
Bolt, hexagon deep recess
Loading…
↗
31
904300814300
Gasket (256-11198-00)
Loading…
↗
32
62Y143680100
Diaphragm assembly 1
Loading…
↗
33
62Y144130000
Stay
Loading…
↗
34
970950601600
Bolt, hexagon deep recess
Loading…
↗
36
6G8153630000
Plug, oil
Loading…
↗
37
932102507000
O-ring (437)
Loading…
↗
38
947010037500
Plug, spark (dpr6ea-9)(62y)
Loading…
↗