Genuine Yamaha Outboard Parts Diagrams | Flood Marine
New Search
Parts
New Outboards
Home
F225BET (2025)
ELECTRICAL 1
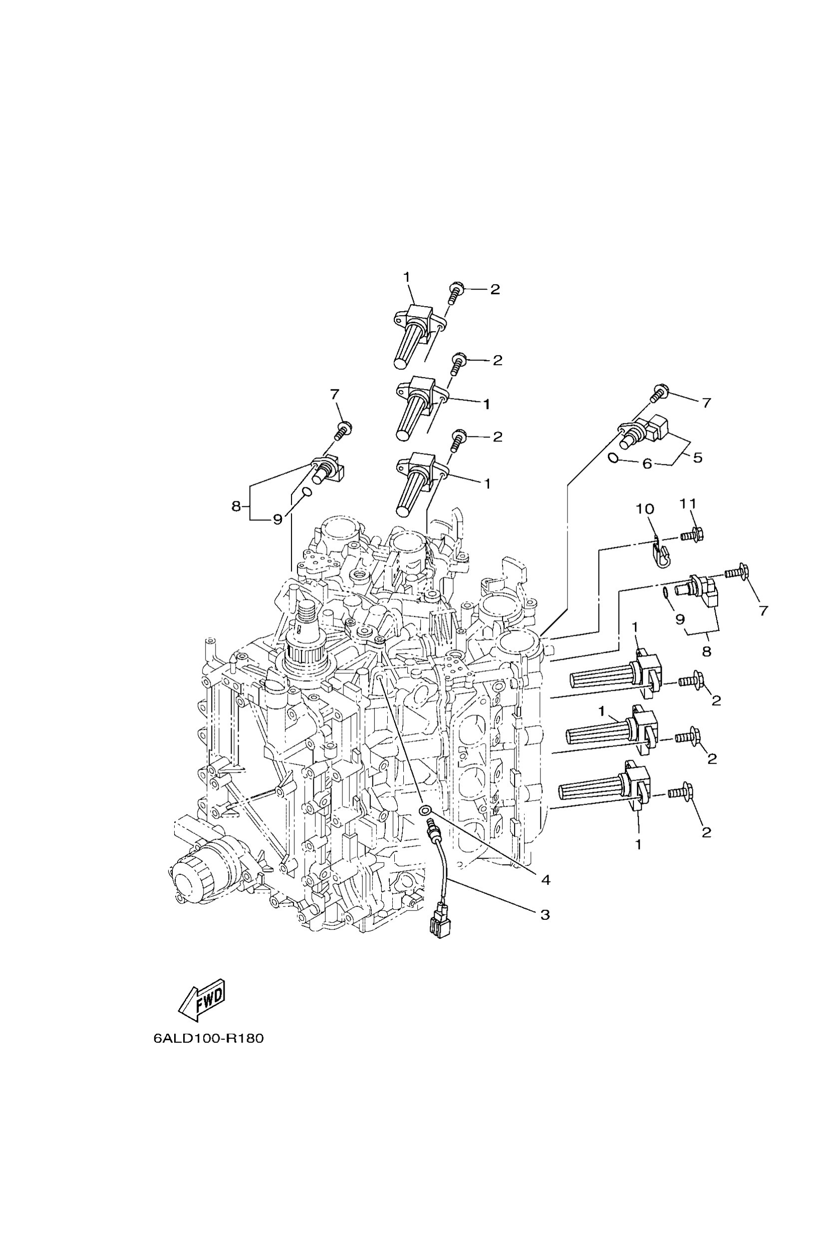
Diagram: ELECTRICAL 1
Parts List
6P28231003
Ignition coil assembly
Diagram Reference: 1
Get Part
97E9506520
Bolt, hexagon w/w deep recess
Diagram Reference: 2
Get Part
61A8579001
Thermosensor assembly
Diagram Reference: 3
Get Part
9299010600
Washer, plate
Diagram Reference: 4
Get Part
6P28589600
Sensor, cam position
Diagram Reference: 5
Get Part
6P28507500
O-ring
Diagram Reference: 6
Get Part
6P28589700
Sensor, cam position 2
Diagram Reference: 8
Get Part
9046208032
Clamp
Diagram Reference: 10
Get Part
97E9506512
Bolt, hexagon w/w deep recess
Diagram Reference: 11
Get Part