Genuine Yamaha Outboard Parts Diagrams | Flood Marine

Diagram: ELECTRICAL 2

Diagram

Parts List

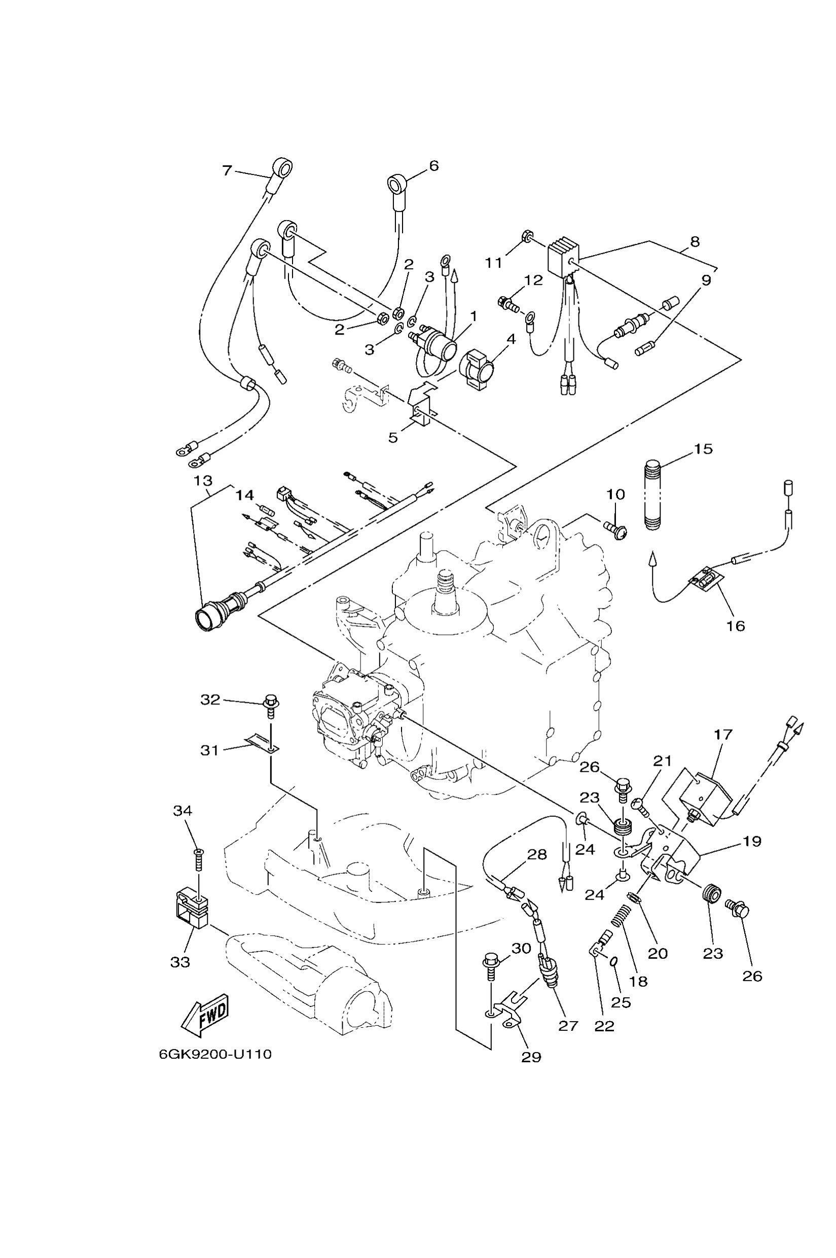
Starter relay
Diagram Reference: 1
Nut(62x)
Diagram Reference: 2
Washer, spring(62x)
Diagram Reference: 3
Holder, relay
Diagram Reference: 4
Plate, switch fitting
Diagram Reference: 5
Wire, lead
Diagram Reference: 6
Battery Cable
Diagram Reference: 7
Rectifier assembly
Diagram Reference: 8
Fuse (10a)
Diagram Reference: 9
Screw, with washer(6a4)
Diagram Reference: 10
Nut, hexagon (663)
Diagram Reference: 11
Bolt
Diagram Reference: 12
Wire harness assembly
Diagram Reference: 13
6GK8259002 (FOR RUS)
-
Diagram Reference: 13
Tube
Diagram Reference: 15
6N78355700 (FOR RUS)
Tube
Diagram Reference: 15
Wire, Plus Lead
Diagram Reference: 16
Coil, solenoid
Diagram Reference: 17
Wire, pull
Diagram Reference: 18
Stay, solenoid
Diagram Reference: 19
Grommet(664)
Diagram Reference: 20
Screw, with washer
Diagram Reference: 21
Hook, wire pull
Diagram Reference: 22
Grommet(6k7)
Diagram Reference: 23
Collar
Diagram Reference: 24
O-ring (663)
Diagram Reference: 25
Bolt, with washer
Diagram Reference: 26
Neutral switch assembly
Diagram Reference: 27
Extension, wire lead
Diagram Reference: 28
Stay, neutral switch
Diagram Reference: 29
Bolt
Diagram Reference: 30
Clamp
Diagram Reference: 31
-
Diagram Reference: 33
Screw, tapping(6e7)
Diagram Reference: 34