Genuine Yamaha Outboard Parts Diagrams | Flood Marine
New Search
Parts
New Outboards
Home
LF150CC (2025)
ELECTRICAL 3
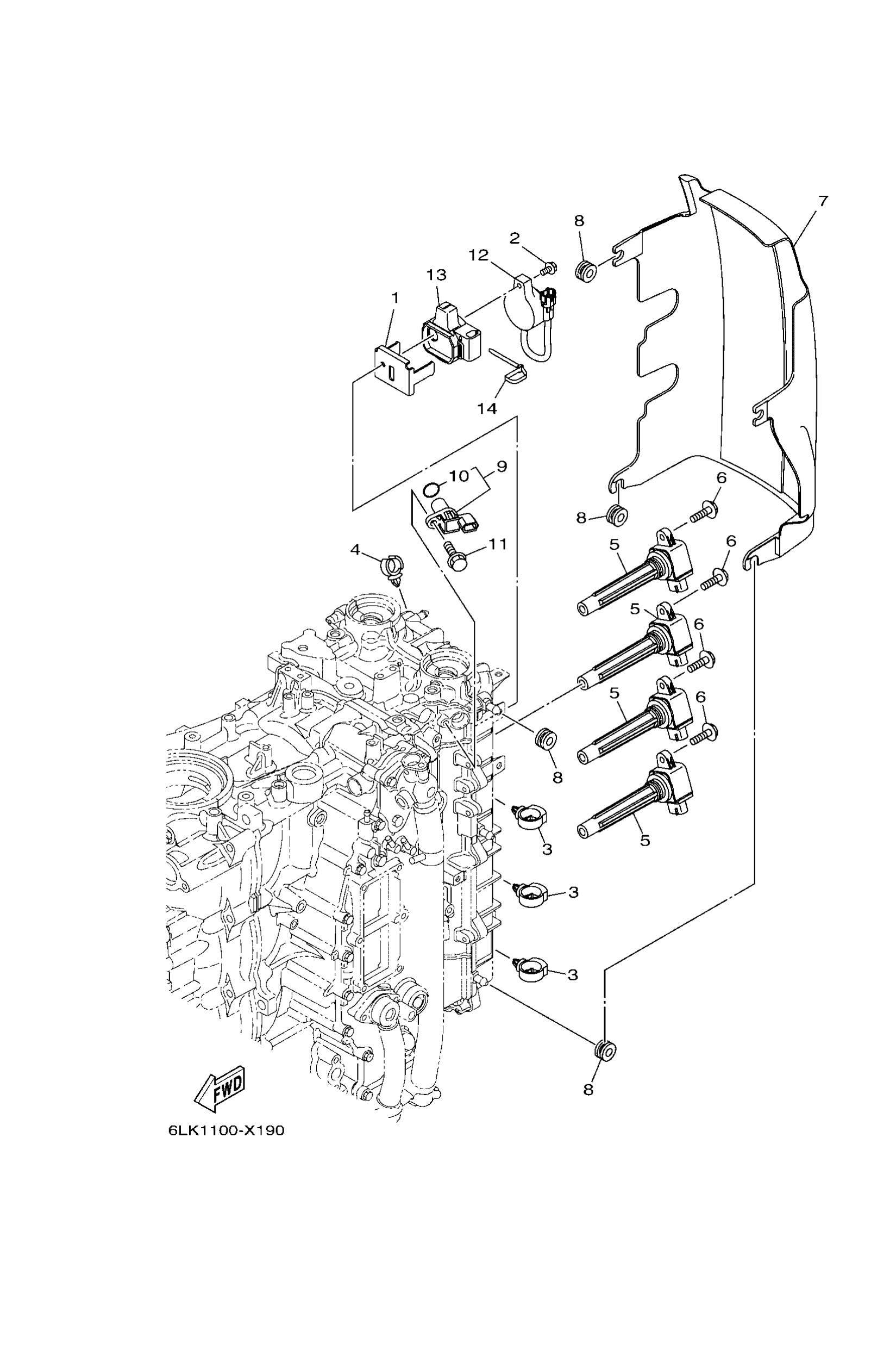
Diagram: ELECTRICAL 3
Parts List
6LH8238900
Plate 2
Diagram Reference: 1
Get Part
95D9506012
Bolt, flange deep recess
Diagram Reference: 2
Get Part
9046420181
Clamp(4ap)
Diagram Reference: 3
Get Part
9046413249
Clamp
Diagram Reference: 4
Get Part
6CB8231002
Ignition coil assembly
Diagram Reference: 5
Get Part
95D9506025
Bolt, flange deep recess
Diagram Reference: 6
Get Part
6DA8231401
Cover, ignition coil
Diagram Reference: 7
Get Part
9048012314
Grommet(3aa)
Diagram Reference: 8
Get Part
6P28589600
Sensor, cam position
Diagram Reference: 9
Get Part
6P28507500
O-ring
Diagram Reference: 10
Get Part
97E9506520
Bolt, hexagon w/w deep recess
Diagram Reference: 11
Get Part
6KA8338301
Buzzer
Diagram Reference: 12
Get Part
6LH8215500
Band
Diagram Reference: 13
Get Part
9046513M97
Clamp
Diagram Reference: 14
Get Part