Yamaha Outboard Parts - Electric Parts - 15DWH (1986) | Flood Marine
New Search
Parts
New Outboards
Home
15DWH (1986)
Electric Parts
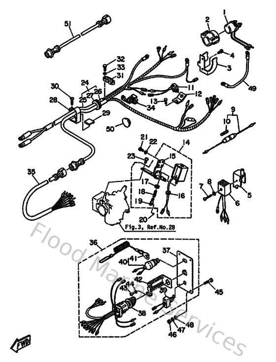
Diagram: Electric Parts
Parts List
Reference
Description
Price
1
6G1819411000
Starter relay
Loading…
↗
2
6G1819520000
Holder, relay
Loading…
↗
3
6E7819450000
Plate, Switch Fitting
Loading…
↗
4
973130601400
Bolt(gj3)
Loading…
↗
5
6E7157714094
Stay
Loading…
↗
6
664819706200
Rectifier assembly
Loading…
↗
7
978030502500
Screw, panhead (a93)
Loading…
↗
8
929030560000
Washer, plain (646)
Loading…
↗
9
682821501000
Fuse holder assembly
Loading…
↗
10
663821510000
Fuse
Loading…
↗
11
689825400100
Neutral switch ass'y
Loading…
↗
13
970130601200
Bolt(gh1)
Loading…
↗
14
682861100000
Solenoid
Loading…
↗
17
904801015500
Grommet(664)
Loading…
↗
18
682861160000
Wire, pull
Loading…
↗
19
682861170000
Hook, wire pull
Loading…
↗
20
932100326100
O-ring (663)
Loading…
↗
21
985030400500
Screw, pan head (7h3)
Loading…
↗
22
929900410000
Ybs67-4 washer, spring
Loading…
↗
23
978030501200
Screw,pan head (646)
Loading…
↗
25
6E7821051000
Battery cable
Loading…
↗
27
682427245000
Grommet
Loading…
↗
28
689825941000
Clamp
Loading…
↗
29
682425250000
Plate, friction 1
Loading…
↗
30
9016106M0000
Screw, tapping(6e7)
Loading…
↗
31
9046408M0300
Clamp
Loading…
↗
32
973130601600
Bolt, hexagon deep recess
Loading…
↗
33
929900660000
Washer, plain (646)
Loading…
↗
34
682825940100
Clamp
Loading…
↗
35
688825862100
Extension, wire harness
Loading…
↗
36
689825701400
Panel Switch assembly
Loading…
↗
37
689825710100
Panel, Switch
Loading…
↗
38
688825101100
Main switch assembly
Loading…
↗
39
688825740000
Switch, choke
Loading…
↗
40
688825750200
Engine stop switch assembly
Loading…
↗
41
682825560000
Lanyard, stop switch
Loading…
↗
42
663825810100
Stay, cord clamp
Loading…
↗
43
983030400800
Screw, pan head (713)
Loading…
↗
44
929010410000
Ybs67-4 washer, spring
Loading…
↗
45
989030502500
Screw, bind
Loading…
↗
46
953800560000
Nut, hexagon (663)
Loading…
↗
47
929030510000
Ybs67-5 washer, spring
Loading…
↗
49
6E7821170000
Wire, lead
Loading…
↗
50
904801716500
Grommet(663)
Loading…
↗
51
688825861100
Extension, wire harness
Loading…
↗
1
6E7855420094
Bracket
Loading…
↗
2
6E7823170000
Damper
Loading…
↗
5
6E7819160000
Cover, Terminal
Loading…
↗
6
695855401200
C.d.i. unit assembly
Loading…
↗
7
973130603000
Bolt
Loading…
↗
8
929900620000
Ybs66-6 washer, plain
Loading…
↗
11
929030660000
Washer, plain (646)
Loading…
↗
12
6E3823702100
Plug cap assembly
Loading…
↗
13
682813320200
Plate, Timing
Loading…
↗
15
904802516100
Grommet(656)
Loading…
↗