Yamaha Outboard Parts - Electric Parts 2 - F9.9BMH (1991) | Flood Marine
New Search
Parts
New Outboards
Home
F9.9BMH (1991)
Electric Parts 2
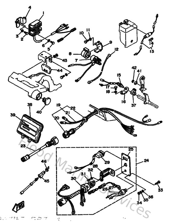
Diagram: Electric Parts 2
Parts List
Reference
Description
Price
1
6G881960A100
Rectifier & regulator assembly
Loading…
↗
2
973130601600
Bolt, hexagon deep recess
Loading…
↗
3
929900660000
Washer, plain (646)
Loading…
↗
4
6G8819480100
Bracket
Loading…
↗
5
970950601600
Bolt, hexagon deep recess
Loading…
↗
7
6J0819411000
Relay, starter
Loading…
↗
8
6G1819520000
Holder, relay
Loading…
↗
9
6G8819530000
Stay, relay
Loading…
↗
10
973130601200
Bolt(gh1)
Loading…
↗
12
6G8821170000
Wire, lead
Loading…
↗
13
6G8821500000
Fuse holder assembly
Loading…
↗
14
682821510000
Fuse
Loading…
↗
15
6H3825400000
Neutral switch assembly
Loading…
↗
16
6G8825540000
Stay Neutral Switch
Loading…
↗
17
970130601200
Bolt(gh1)
Loading…
↗
19
6G8825800000
Wire harness assembly
Loading…
↗
20
6G8825900000
Wire Harness assembly
Loading…
↗
21
6G8821050000
Battery Cable
Loading…
↗
22
6G8427245000
Grommet
Loading…
↗
23
688825865000
Extension, wire harness
Loading…
↗
24
6G8825700200
Panel Switch assembly
Loading…
↗
25
6G8825710100
Panel, Switch
Loading…
↗
26
688825750100
Engine stop switch assembly
Loading…
↗
27
682825560000
Lanyard, stop switch
Loading…
↗
28
663825810100
Stay, cord clamp
Loading…
↗
29
6G8835820100
Pilot Light assembly
Loading…
↗
30
6G8825100000
Main Switch assembly
Loading…
↗
31
989800400800
Screw, bind (705)
Loading…
↗
32
929030410000
Ybs67-4 washer, spring
Loading…
↗
33
9014905M0500
Screw(6k0)
Loading…
↗
34
953030560000
Nut, hexagon (663)
Loading…
↗
35
929900510000
Ybs67-5 washer, spring
Loading…
↗
36
929900560000
Washer, plain (646)
Loading…
↗
37
6G8441250000
Lever, Shift Rod
Loading…
↗
39
6G8426772000
Graphic, Front
Loading…
↗
40
6G8425510000
Grommet
Loading…
↗
41
9038706M7300
Collar
Loading…
↗
42
9343004M0300
Circlip (eu0)
Loading…
↗
44
6G8483515100
Seal, rubber
Loading…
↗
45
6G8263630000
End, wire 1
Loading…
↗
46
6G8263640000
End, wire 2
Loading…
↗