Yamaha Outboard Parts - Electrical 3 - 250BETOXL (2000) | Flood Marine
New Search
Parts
New Outboards
Home
250BETOXL (2000)
Electrical 3
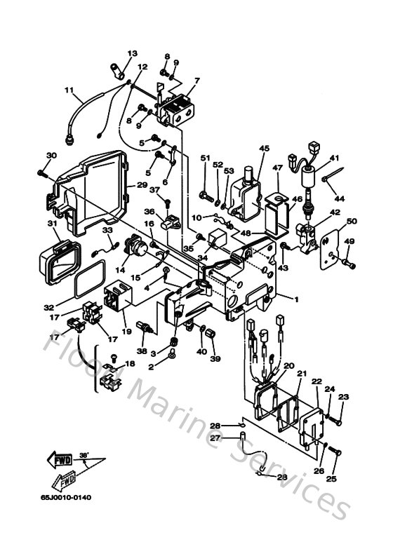
Diagram: Electrical 3
Parts List
Reference
Description
Price
1
65L819480000
Bracket
Loading…
↗
2
624425420000
Collar
Loading…
↗
3
6A0823170000
Damper, ignition coil
Loading…
↗
4
9011906M9500
Bolt, with washer
Loading…
↗
5
970130601400
Bolt(gj3)
Loading…
↗
6
61A871490000
Connector
Loading…
↗
7
61A819500100
Relay assembly
Loading…
↗
8
970130603000
Bolt
Loading…
↗
9
929030660000
Washer, plain (646)
Loading…
↗
10
9046418M4600
Clamp(65j)
Loading…
↗
11
61A819491000
Wire, lead
Loading…
↗
12
61A819490000
Wire, lead
Loading…
↗
13
6G5821191000
Cover, lead wire
Loading…
↗
14
61A819410000
Starter relay assembly
Loading…
↗
15
61A819520000
Holder, relay
Loading…
↗
16
977805061200
Screw, tapping(61a)
Loading…
↗
17
61A821500100
Fuse holder assembly
Loading…
↗
18
61A821510000
Fuse(12v-80a)
Loading…
↗
19
61A821530000
Stay, fuse holder
Loading…
↗
20
61A819600100
Rectifier & regulator assembly
Loading…
↗
21
69J81975A000
Plate, rectifier fitting
Loading…
↗
22
61A81972001S
Cover, rectifier
Loading…
↗
23
970130602500
Bolt(62y)
Loading…
↗
26
929900660000
Washer, plain (646)
Loading…
↗
27
904450922400
Hose (l1500)
Loading…
↗
28
904670800400
Clip, pipe 6162435600
Loading…
↗
29
65L819420000
Cover
Loading…
↗
30
9016905M0000
Screw truss head tapping
Loading…
↗
31
61A821540100
Case
Loading…
↗
32
61A821760000
Damper
Loading…
↗
33
61A821170000
Wire, lead
Loading…
↗
34
65L819500900
Relay assembly
Loading…
↗
35
977806062500
Screw, tapping(65j)
Loading…
↗
36
67H823800000
Sensor, pressure
Loading…
↗
38
65L858860000
Thermosensor
Loading…
↗
39
9017012M3600
Nut
Loading…
↗
40
9020112M3400
Washer (692)
Loading…
↗
41
65L8592A0100
Sensor
Loading…
↗
42
65L113950000
Holder
Loading…
↗
43
9011906M7400
Bolt, with washer(63m)
Loading…
↗
44
9046513M1800
Clamp
Loading…
↗
45
65L858320000
Case, under
Loading…
↗
46
65L113540000
Gasket
Loading…
↗
47
65L1131N0000
Gasket, holder
Loading…
↗
48
65L113960000
Gasket, holder
Loading…
↗
49
65L113531000
Joint
Loading…
↗
50
65L113570000
Seal, cylinder
Loading…
↗
51
970950603000
Bolt(jf7)
Loading…
↗
52
929950610000
Washer(6a1)
Loading…
↗
53
929950660000
Washer, plain (646)
Loading…
↗