Genuine Yamaha Outboard Parts Diagrams | Flood Marine

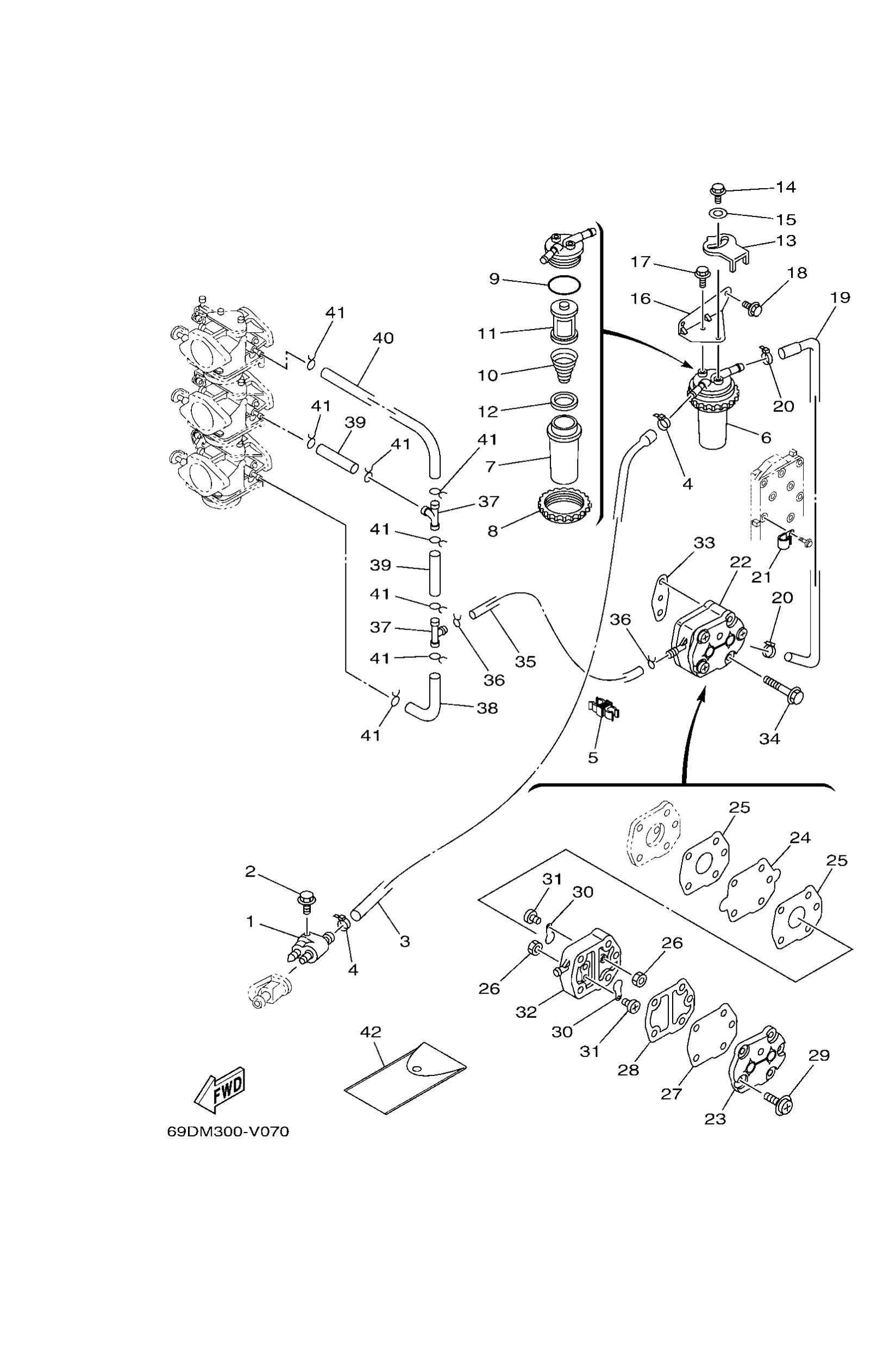
Diagram: FUEL

Diagram

Parts List

Fuel pipe joint comp. 1
Diagram Reference: 1
Bolt, hexagon w/w deep recess
Diagram Reference: 2
Pipe, fuel 1
Diagram Reference: 3
Clamp
Diagram Reference: 4
Clamp
Diagram Reference: 5
Filter assembly
Diagram Reference: 6
Cup, filter
Diagram Reference: 7
Nut
Diagram Reference: 8
O-ring
Diagram Reference: 9
Spring
Diagram Reference: 10
Element, filter
Diagram Reference: 11
Float, water level
Diagram Reference: 12
Holder, filter
Diagram Reference: 13
Bolt, hexagon w/w deep recess
Diagram Reference: 14
Washer,plate (6k8)
Diagram Reference: 15
Bracket, filter
Diagram Reference: 16
Bolt, hexagon w/w deep recess
Diagram Reference: 17
Bolt, hexagon w/w deep recess
Diagram Reference: 18
Pipe 2
Diagram Reference: 19
Clamp
Diagram Reference: 21
Fuel pump assembly
Diagram Reference: 22
Cover, pump
Diagram Reference: 23
Diaphragm
Diagram Reference: 24
Gasket, body
Diagram Reference: 25
Nut (6g8)
Diagram Reference: 26
Diaphragm
Diagram Reference: 27
Gasket, body 2
Diagram Reference: 28
Screw, with washer
Diagram Reference: 29
Valve, check
Diagram Reference: 30
Screw, pan head
Diagram Reference: 31
Body 1
Diagram Reference: 32
Gasket,fuel pump
Diagram Reference: 33
Bolt, hexagon w/w deep recess
Diagram Reference: 34
Hose (l1500)
Diagram Reference: 35
Clip, pipe 6162435600
Diagram Reference: 36
Pipe, joint
Diagram Reference: 37
Pipe, fuel 2
Diagram Reference: 38
Hose (l1500)
Diagram Reference: 39
Pipe 4
Diagram Reference: 40
656W281003 (AP)
Tool kit
Diagram Reference: 42