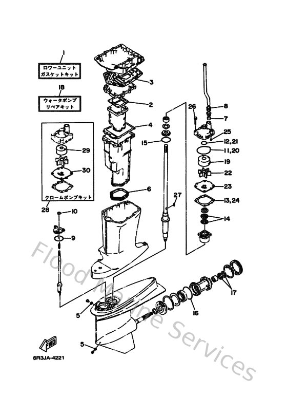
Yamaha Outboard Parts - Kits De Reparation 2 - 200FETOL (1998) | Flood Marine

Diagram: Kits De Reparation 2

Diagram