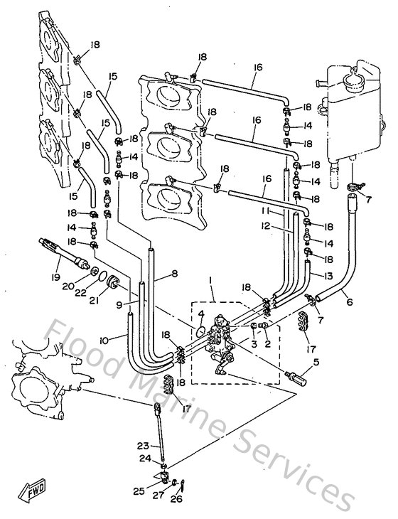
Yamaha Outboard Parts - Oil Pump - L250AETO (1998) | Flood Marine

Diagram: Oil Pump

Diagram