Yamaha Outboard Parts - Oil Tank - L200BETOL (1991) | Flood Marine

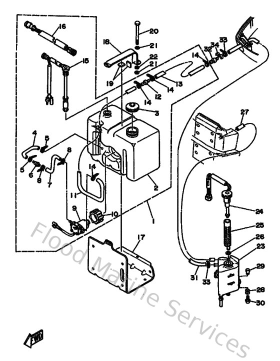
Diagram: Oil Tank

Diagram

Parts List

Reference
Description
Price